Prírubové náboje pre ozubené hriadele DIN 5480


Material: Steel C45.
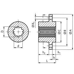
Hub with flange, for toothed shafts profile DIN 5480.
As connecting element for torque transmission and centring. Easy sliding fit with our toothed shafts profile DIN 5480. The positon of the bore holes does not refer
to the toothing. Module 1.25. Pressure angle 30°. Tolerance field 9H.
SKU | Profil [mm] | Anzahl Zähne | D [mm] | d [mm] | A [mm] | B [mm] | B1 [mm] | C h10 [mm] | L [mm] | h [mm] | h1 [mm] | h2 [mm] | Gewicht [kg] |
---|---|---|---|---|---|---|---|---|---|---|---|---|---|
64821510 | N 15 x 1,25 x 10 | 10 | 15 | 12,5 | 58 | 45 | 6 x 4,5 | 32 | 25 | 5,2 | 6 | 13,8 | 0,2 |
64822010 | N 20 x 1,25 x 14 | 14 | 20 | 17,5 | 76 | 60 | 6 x 6,6 | 45 | 40 | 7,0 | 8 | 25,0 | 0,5 |
64822510 | N 25 x 1,25 x 18 | 18 | 25 | 22,5 | 96 | 78 | 6 x 6,6 | 60 | 45 | 11,0 | 10 | 24,0 | 1,1 |
64823810 | N 38 x 1,25 x 29 | 29 | 38 | 35,5 | 96 | 78 | 6 x 6,6 | 60 | 45 | 11,0 | 10 | 24,0 | 1,1 |
64823811 | N 38 x 1,25 x 29 | 29 | 38 | 35,5 | 135 | 105 | 6 x 11 | 75 | 65 | 16,0 | 18 | 31,0 | 3,1 |
64823812 | N 38 x 1,25 x 29 | 29 | 38 | 35,5 | 170 | 135 | 8 x 14 | 100 | 80 | 16,0 | 20 | 44,0 | 6,5 |