Prírubové klzné ložiská, termoplast EP43 TM, do 240 °C


Material: Thermoplast polyphenylensulfid, reinforced, modified (PPS + PTFE + aramid), brown.
Plain bearing flange bush made from high sophisticated thermoplastic.
Very low friction. Specially suited for dry-running and for use under water and at high temperatures. Colour: brown.
Operating Conditions :
dry : very good.
oiled: good.
water: very good.
field of aplication:
Domestic appliances, convoyers, machinery, cash slot machines and many more.
Plain bearing flange bush made from high sophisticated thermoplastic.
Very low friction. Specially suited for dry-running and for use under water and at high temperatures. Colour: brown.
- Good chemical and hydrolysis resistance.
- Low friction, optimised for dry running conditions.
- High dimensional stability.
- Temperature range -40ºC bis + 240ºC.
Operating Conditions :
dry : very good.
oiled: good.
water: very good.
field of aplication:
Domestic appliances, convoyers, machinery, cash slot machines and many more.
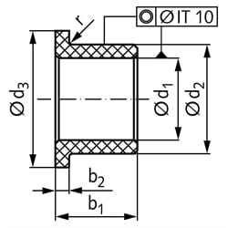
SKU | d1 [mm] | d2 [mm] | d3 [mm] | b1 [mm] | b2 [mm] | r [mm] | Minus Allowance d1 [mm] | Plus Allowance d1 [mm] | Weight [g] |
---|---|---|---|---|---|---|---|---|---|
62710805 | 8 | 10 | 15 | 5,5 | 1,0 | 0,3 | +0,013 | +0,071 | 0,4 |
62710807 | 8 | 10 | 15 | 7,5 | 1,0 | 0,3 | +0,013 | +0,071 | 0,5 |
62710810 | 8 | 10 | 15 | 10 | 1,0 | 0,3 | +0,013 | +0,071 | 0,5 |
62711007 | 10 | 12 | 18 | 7 | 1,0 | 0,3 | +0,013 | +0,071 | 0,6 |
62711009 | 10 | 12 | 18 | 9 | 1,0 | 0,3 | +0,013 | +0,071 | 0,7 |
62711012 | 10 | 12 | 18 | 12 | 1,0 | 0,3 | +0,013 | +0,071 | 0,8 |
62711015 | 10 | 12 | 18 | 15 | 1,0 | 0,3 | +0,013 | +0,071 | 1,0 |
62711017 | 10 | 12 | 18 | 17 | 1,0 | 0,3 | +0,013 | +0,071 | 1,1 |
62711207 | 12 | 14 | 20 | 7 | 1,0 | 0,3 | +0,016 | +0,086 | 0,6 |
62711209 | 12 | 14 | 20 | 9 | 1,0 | 0,3 | +0,016 | +0,086 | 0,8 |
62711212 | 12 | 14 | 20 | 12 | 1,0 | 0,3 | +0,016 | +0,086 | 1,2 |
62711215 | 12 | 14 | 20 | 15 | 1,0 | 0,3 | +0,016 | +0,086 | 1,3 |
62711217 | 12 | 14 | 20 | 17 | 1,0 | 0,3 | +0,016 | +0,086 | 1,4 |
62711220 | 12 | 14 | 20 | 20 | 1,0 | 0,3 | +0,016 | +0,086 | 1,5 |
62711412 | 14 | 16 | 22 | 12 | 1,0 | 0,3 | +0,016 | +0,086 | 0,9 |
62711417 | 14 | 16 | 22 | 17 | 1,0 | 0,3 | +0,016 | +0,086 | 1,5 |
62711509 | 15 | 17 | 23 | 9 | 1,0 | 0,3 | +0,016 | +0,086 | 1,0 |
62711512 | 15 | 17 | 23 | 12 | 1,0 | 0,3 | +0,016 | +0,086 | 1,2 |
62711517 | 15 | 17 | 23 | 17 | 1,0 | 0,3 | +0,016 | +0,086 | 1,5 |
62711520 | 15 | 17 | 23 | 20 | 1,0 | 0,3 | +0,016 | +0,086 | 1,8 |
62711617 | 16 | 18 | 24 | 17 | 1,0 | 0,3 | +0,016 | +0,086 | 1,7 |
62712011 | 20 | 23 | 30 | 11,5 | 1,5 | 0,5 | +0,020 | +0,104 | 2,4 |
62712016 | 20 | 23 | 30 | 16,5 | 1,5 | 0,5 | +0,020 | +0,104 | 3,2 |
62712021 | 20 | 23 | 30 | 21,5 | 1,5 | 0,5 | +0,020 | +0,104 | 3,9 |
62712511 | 25 | 28 | 35 | 11,5 | 1,5 | 0,5 | +0,020 | +0,104 | 2,9 |
62712516 | 25 | 28 | 35 | 16,5 | 1,5 | 0,5 | +0,020 | +0,104 | 3,9 |
62712521 | 25 | 28 | 35 | 21,5 | 1,5 | 0,5 | +0,020 | +0,104 | 4,9 |