Flexibilné spojky EK s nábojmi z nerezovej ocele


Material: Hubs made from stainless steel 1.4305 (AISI 303). Spring: Spring steel nickel-plated.
These couplings are elastic all-metal couplings. The couplings only have a one-layer spring body. They are, however, flexible in all directions, suitable for both rotational directions and maintenance-free. They are locked against rotation with allen set screws. Temperature range from -40°C to +150°C.
Larger bores and feather-key grooves available at surcharge.
1) Against surcharge. 2) at nominal torque, +/- 25%. Clockwise / counter clockwise.
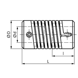
SKU | Nominal Torque [Nm] | Bohrung d H8 [mm] | Bohrung max.1) [mm] | Wellenverlagerung max. Winkel [Grad] | Wellenverlagerung max. radial [mm] | Wellenverlagerung max. axial [mm] | Verdrehwinkel2) [Grad] | D [mm] | L [mm] | l [mm] | Speed max. [rpm] | Weight [g] |
---|---|---|---|---|---|---|---|---|---|---|---|---|
60200001 | 0,15 | 3 | 6 | 5 | 0,5 | 0,5 | 40 / 60 | 12 | 25 | 8,9 | 8000 | 18 |
60200101 | 0,5 | 4 | 8 | 5 | 1,0 | 1,0 | 50 / 70 | 16 | 35 | 12,3 | 3000 | 35 |
60200201 | 1,5 | 6 | 14 | 5 | 1,5 | 1,0 | 40 / 60 | 26 | 50 | 17,4 | 3000 | 131 |