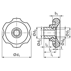
Ručné kolesá 527.1 s drážkami po obvode


Material: Plastic Thermoplast (PA) reinforced, black, gloss finish. Hub: Steel, burnished.
With steel hubs of large dimension. For applications requiring a large contact surface or a large diameter bore.
Temperature resitant up to +120°C.
Keyway available at extra charge.