Ťažké ložiskové dosky DIN 504 A, s puzdrom z červenej mosadze


Material: Grey Cast Iron GG25. Bush red brass Rg7 (CuSn7Zn4Pb7-C).
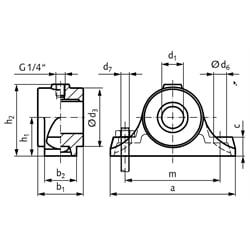
Bore Tolerance: ISO D10.
SKU | d1 [mm] | Bore tolerance [mm] | a [mm] | b1 [mm] | b2 [mm] | c [mm] | d3 [mm] | d6 [mm] | d7 [mm] | h1 [mm] | h2 max. [mm] | m [mm] | Weight [kg] |
---|---|---|---|---|---|---|---|---|---|---|---|---|---|
62013000 | 30 | +0,149/+0,065 | 160 | 60 | 45 | 25 | 80 | 15 | M 12 | 50 | 95 | 120 | 3,0 |
62014000 | 40 | +0,18/+0,08 | 190 | 70 | 50 | 30 | 90 | 19 | M 16 | 60 | 110 | 140 | 4,2 |
62015000 | 50 | +0,18/+0,08 | 220 | 80 | 55 | 35 | 100 | 24 | M 20 | 70 | 125 | 160 | 5,5 |
62016000 | 60 | +0,22/+0,10 | 240 | 90 | 60 | 35 | 120 | 24 | M 20 | 80 | 145 | 180 | 8,3 |
62017000 | 70 | +0,22/+0,10 | 270 | 100 | 70 | 45 | 140 | 28 | M 24 | 90 | 165 | 210 | 11,6 |
62018000 | 80 | +0,22/+0,10 | 300 | 100 | 80 | 45 | 160 | 28 | M 24 | 100 | 185 | 240 | 17,0 |