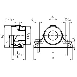
Ťažké ložiskové dosky DIN 504 B, bez puzdra


Material: Grey Cast Iron GG25.
Bore Tolerance: ISO D7.
SKU | d1 [mm] | Bore tolerance [mm] | a [mm] | b1 [mm] | b2 [mm] | c [mm] | d3 [mm] | d6 [mm] | d7 [mm] | h1 [mm] | h2 max. [mm] | m [mm] | Weight [kg] |
---|---|---|---|---|---|---|---|---|---|---|---|---|---|
62022000 | 20 | +0,086/+0,065 | 110 | 50 | 35 | 18 | 45 | 12 | M 10 | 30 | 56 | 75 | 1,3 |
62022500 | 25 | +0,086/+0,065 | 140 | 60 | 40 | 25 | 60 | 15 | M 12 | 40 | 75 | 100 | 2,0 |
62023000 | 30 | +0,086/+0,065 | 140 | 60 | 40 | 25 | 60 | 15 | M 12 | 40 | 75 | 100 | 2,0 |
62023500 | 35 | +0,105/+0,080 | 160 | 60 | 45 | 25 | 80 | 15 | M 12 | 50 | 95 | 120 | 3,0 |
62024000 | 40 | +0,105/+0,080 | 160 | 60 | 45 | 25 | 80 | 15 | M 12 | 50 | 95 | 120 | 3,0 |
62024500 | 45 | +0,105/+0,080 | 190 | 70 | 50 | 30 | 90 | 19 | M 16 | 60 | 110 | 140 | 4,2 |
62025000 | 50 | +0,105/+0,080 | 190 | 70 | 50 | 30 | 90 | 19 | M 16 | 60 | 110 | 140 | 4,2 |
62026000 | 60 | +0,13/+0,10 | 220 | 80 | 55 | 35 | 100 | 24 | M 20 | 70 | 125 | 160 | 5,5 |
62027000 | 70 | +0,13/+0,10 | 240 | 90 | 60 | 35 | 120 | 24 | M 20 | 80 | 145 | 180 | 8,3 |
62028000 | 80 | +0,13/+0,10 | 270 | 100 | 70 | 45 | 140 | 28 | M 24 | 90 | 165 | 210 | 11,6 |