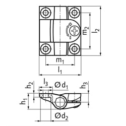
Pánty M233, plastové, s nastaviteľným trením
Material: Body: Polyacetal (POM), RAL 9005, semi-matt. Pin: Polycarbonate (PC). Adjusting screw and nut: Stainless steel 1.4305.
At these non-detachable hinges, the friction can be varied by an adjusting screw. Endurance tests have shown that the torque has almost not changed even after 60.000 opening / closing cycles (0.8 Nm tightening torque of the set screw). Temperature resistant up to +65°C. Flammability category UL 94-HB.
1) Fastening torque for fitting screw in d1.
2) Max. axial force.
3) Max. radial force at opening angle 90°.
These are non-binding guide values without any liability.