Pánty M237L, s predĺženými krídlami pántov, liaty zinok


Material: Zinc die cast, plastic coated, black, textured finish. Pin: Stainless steel 1.4305. Threaded bolts (type C): Stainless steel 1.4401
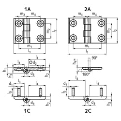
This non-detachable hinges are extended on one side (1) or two sides (2). With countersunk holes for screws DIN 7991 (Type A) or threaded bolts (Type C).
Type 1A: extended on one side, with sunkholes.
Type 1C: extended on one side, with threaded bolts.
Type 2A: extended on both sides, with sonkholes.
Type 2C: extended on both sides, with threaded bolts.
1) Max. axial force.
2) Max. radial force at opening angle 90°.
These are non-binding guide values without any liability.
SKU | Form | l1 [mm] | l2 [mm] | d1 [mm] | d2 [mm] | d3 [mm] | h1 [mm] | h2 [mm] | h3 [mm] | h4 [mm] | l3 [mm] | l4 [mm] | l5 [mm] | m1 [mm] | m2 [mm] | m3 [mm] | m4 [mm] | FA1) [N] | FR2) [N] | Gewicht [g] |
---|---|---|---|---|---|---|---|---|---|---|---|---|---|---|---|---|---|---|---|---|
67700351 | 1A | 63 | 50 | - | 6,3 | 6 | 11,5 | 6 | 6,5 | 13 | 18,5 | 31,5 | - | 43 | 30 | 15 | 28 | 1500 | 1200 | 104 |
67700352 | 1A | 90 | 60 | - | 8,4 | 8 | 15 | 8 | 8,5 | 17 | 21,5 | 51,5 | - | 63 | 36 | 18 | 45 | 1500 | 1400 | 200 |
67700353 | 1C | 63 | 50 | M6 | - | 6 | 11,5 | 6 | 6,5 | 13 | 18,5 | 31,5 | 12 | 43 | 30 | 15 | 28 | 1500 | 1500 | 119 |
67700354 | 1C | 90 | 60 | M8 | - | 8 | 15 | 8 | 8,5 | 17 | 21,5 | 51,5 | 14 | 63 | 36 | 18 | 45 | 2000 | 1500 | 277 |
67700355 | 2A | 76 | 50 | - | 6,3 | 6 | 11,5 | 6 | 6,5 | 13 | - | 31,5 | - | 56 | 30 | - | 28 | 1300 | 1300 | 125 |
67700356 | 2A | 120 | 60 | - | 8,4 | 8 | 15 | 8 | 8,5 | 17 | - | 51,5 | - | 90 | 36 | - | 45 | 1300 | 1500 | 313 |
67700357 | 2C | 76 | 50 | M6 | - | 6 | 11,5 | 6 | 6,5 | 13 | - | 31,5 | 12 | 56 | 30 | - | 28 | 1300 | 1500 | 145 |
67700358 | 2C | 120 | 60 | M8 | - | 8 | 15 | 8 | 8,5 | 17 | - | 51,5 | 14 | 90 | 36 | - | 45 | 1500 | 1500 | 364 |