Napínacie kolesá 712 AV vyrobené z liatiny s prírubou s guličkovým ložiskom


Material: Cast iron GG25, zinc-plated.
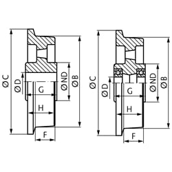
Version with Ball Bearing. Outer dimensions and weights are approximate.
Flange and running surface precisely turned, running surface inclined at 3° towards the axle.
As standard the roller bearings are sealed with Z-plates.
Temperature range: -30°C to +90°C (for short time up to +110°C).
SKU | B [mm] | C [mm] | H [mm] | F [mm] | G [mm] | ND [mm] | D [mm] | Payload ca. | Kugellager | Weight [kg] |
---|---|---|---|---|---|---|---|---|---|---|
77520700 | 75 | 100 | 40 | 30 | 47 | 54 | 20 | 800 | 6004 2Z | 1,3 |
77521000 | 100 | 125 | 46 | 36 | 52 | 62 | 20 | 1000 | 6204 2Z | 2,4 |
77521200 | 125 | 145 | 46 | 36 | 52 | 62 | 20 | 1000 | 6204 2Z | 2,8 |
77521500 | 150 | 175 | 46 | 36 | 52 | 62 | 20 | 1000 | 6204 2Z | 3,5 |
77521800 | 180 | 210 | 47 | 36 | 52 | 65 | 20 | 1200 | 6204 2Z | 4,7 |
77522000 | 200 | 230 | 56 | 38 | 60 | 90 | 25 | 1500 | 6305 2Z | 7,7 |
77522500 | 250 | 300 | 65 | 50 | 70 | 90 | 30 | 2000 | 6206 2Z | 12,8 |