Aretačné čapy 717, nehrdzavejúca oceľ, s aretačnou polohou


Material: Body stainless steel 1.4305 (AISI 303). Plunger pin stainless steel 1.4305 (AISI 303). Spring stainless steel 1.4310. Knob (type B/BK) plastic (Polyamide PA) black, matt finish, not removable.
Indexing plungers 717 are reasonably priced, with small dimensions, for applications where high precision indexing is not required. Indexing Plungers with rest position are used where the pin has to remain in retracted position. To achieve this, the knob is rotated by 90 degrees after being retracted. A notched catch stops the locked-in knob from returning to its initial position accidentally or due to vibration.
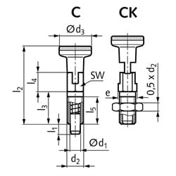
Type C: with rest position, with knob, without counter nut.
Type CK: with rest position, with knob ring, with counter nut.
SKU | Form | d 1 [mm] | l 1 min. [mm] | d 2 [mm] | d 3 [mm] | e [mm] | l 2 max. [mm] | l 3 [mm] | l 4 [mm] | l 5 [mm] | sw [mm] | TA** [Nm] | Federdruck Anfang * [N] | Federdruck Ende * [N] | Gewicht [g] |
---|---|---|---|---|---|---|---|---|---|---|---|---|---|---|---|
66671853 | C | 3 | 3,5 | M6 | 12 | 6,9 | 29 | 12 | 7 | 10 | 6 | 2 | 3 | 12 | 4 |
66671854 | C | 3 | 3,5 | M6x0,75 | 12 | 6,9 | 29 | 12 | 7 | 10 | 6 | 3 | 3 | 12 | 4 |
66671855 | C | 4 | 4 | M6 | 12 | 6,9 | 29 | 12 | 7 | 10 | 6 | 2 | 3 | 12 | 4 |
66671856 | C | 4 | 4,5 | M8x1 | 16 | 9,2 | 38,5 | 16 | 9,5 | 13,5 | 8 | 8 | 5 | 24 | 10 |
66671857 | C | 5 | 5 | M8 | 16 | 9,2 | 38,5 | 16 | 9,5 | 13,5 | 8 | 7 | 5 | 24 | 10 |
66671858 | C | 5 | 5 | M8x1 | 16 | 9,2 | 38,5 | 16 | 9,5 | 13,5 | 8 | 7 | 5 | 24 | 10 |
66671859 | C | 5 | 5 | M10x1 | 18 | 11,5 | 41 | 16 | 10 | 13,5 | 10 | 22 | 5 | 24 | 16 |
66671860 | C | 6 | 6 | M10 | 18 | 11,5 | 46 | 20 | 10,5 | 17 | 10 | 15 | 5 | 21 | 19 |
66671861 | C | 6 | 6 | M12x1,5 | 21 | 13,8 | 49 | 20 | 11 | 16,5 | 12 | 38 | 5 | 21 | 27 |
66671862 | C | 8 | 8 | M12 | 21 | 13,8 | 55,5 | 24 | 13,5 | 20,5 | 12 | 20 | 6 | 22 | 34 |
66671863 | C | 8 | 8 | M12x1,5 | 21 | 13,8 | 55,5 | 24 | 13,5 | 20,5 | 12 | 20 | 6 | 22 | 57 |
66671864 | C | 8 | 8 | M16x1,5 | 25 | 19,6 | 60 | 24 | 13,5 | 20,5 | 17 | 80 | 6 | 22 | 60 |
66671865 | C | 10 | 10 | M16x1,5 | 25 | 19,6 | 62,5 | 26 | 14 | 22,5 | 17 | 80 | 4 | 27 | 66 |
66671866 | CK | 3 | 3,5 | M6 | 12 | 6,9 | 29 | 12 | 7 | 10 | 6 | 2 | 3 | 12 | 17 |
66671868 | CK | 4 | 4 | M6 | 12 | 6,9 | 29 | 12 | 7 | 10 | 6 | 2 | 3 | 12 | 5 |
66671869 | CK | 4 | 4,5 | M8x1 | 16 | 9,2 | 38,5 | 16 | 9,5 | 13,5 | 8 | 8 | 5 | 24 | 20 |
66671870 | CK | 5 | 5 | M8 | 16 | 9,2 | 38,5 | 16 | 9,5 | 13,5 | 8 | 7 | 5 | 24 | 13 |
66671872 | CK | 5 | 5 | M10x1 | 18 | 11,5 | 41 | 16 | 10 | 13,5 | 10 | 22 | 5 | 24 | 20 |
66671873 | CK | 6 | 6 | M10 | 18 | 11,5 | 46 | 20 | 10,5 | 17 | 10 | 15 | 5 | 21 | 24 |
66671874 | CK | 6 | 6 | M12x1,5 | 21 | 13,8 | 49 | 20 | 11 | 16,5 | 12 | 38 | 5 | 21 | 20 |
66671875 | CK | 8 | 8 | M12 | 21 | 13,8 | 55,5 | 24 | 13,5 | 20,5 | 12 | 20 | 6 | 22 | 44 |
66671876 | CK | 8 | 8 | M12x1,5 | 21 | 13,8 | 55,5 | 24 | 13,5 | 20,5 | 12 | 20 | 6 | 22 | 57 |
66671877 | CK | 8 | 8 | M16x1,5 | 25 | 19,6 | 60 | 24 | 13,5 | 20,5 | 17 | 80 | 6 | 22 | 79 |
66671878 | CK | 10 | 10 | M16x1,5 | 25 | 19,6 | 62,5 | 26 | 14 | 22,5 | 17 | 80 | 4 | 27 | 84 |