Integrované voľnobežky BSEU



he premium quality integrated sprag freewheels of the BSEU series were developed as classic backstops for a wide variety of conveyor belt sizes, bucket elevators and inclined conveyors. These European-style backstops are used in low-speed applications.
Keyway: according to DIN 6885-1.
Mounting: Recommended shaft tolerance h7 or h8. The direction of rotation of the inner ring must correspond to the direction of rotation of the application. The direction of rotation is indicated by a marking arrow on the inner ring.
Lubrication: Lubricated for life with low temperature grease.
Temperature range: -40°C bis + 50°C. The temperature range applies to the specified max. overrunning speed. Outside this temperature range, the specified speed can no longer be guaranteed. Very low speeds allow a higher temperature. In this case, please consult us.
Mounting: During assembly, the freewheel must always be mounted on the shaft with a keyway provided by the customer. Then fasten the freewheel with an end washer. Never use a tapered / wedge-shaped keyway.
When mounting the freewheel onto the shaft, only apply pressure to the surface of the inner ring with a soft rubber mallet and do not subject the freewheel to unnecessary shocks.
Use the frame or a pin to eliminate outer race rotation.
Note: The load on the torque arm must be perpendicular to the direction of the shaft. Otherwise the internal parts of the freewheel may jam and cause damage.
A clearance of 0.5 mm must be set between the torque arm and the customer‘s frame (stop for the torque arm) or the slotted hole in the torque arm and the pin. A rigidly mounted torque arm could damage the freewheel.
Other versions on request.
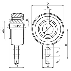
SKU | d H7 [mm] | D [mm] | D1 [mm] | B [mm] | C1 [mm] | G [mm] | H [mm] | b [mm] | t2 [mm] | b1 [mm] | l1 [mm] | l2 [mm] | m [mm] | Drehmoment [Nm] | max. Überholdrehzahl Innenring [min-1] | Gewicht [kg] |
---|---|---|---|---|---|---|---|---|---|---|---|---|---|---|---|---|
BSEU25-20 | 20 | 83 | 42 | 12 | 35 | 40 | 90 | 6 | 2,8 | 15 | 35 | 5 | 1,0 | 216 | 500 | 1,00 |
BSEU25-25 | 25 | 83 | 42 | 12 | 35 | 40 | 90 | 8 | 3,3 | 15 | 35 | 5 | 1,0 | 216 | 500 | 0,95 |
BSEU40-20 | 20 | 118 | 60 | 15 | 55 | 40 | 110 | 6 | 2,8 | 15 | 35 | 8 | 1,5 | 1440 | 450 | 3,73 |
BSEU40-25 | 25 | 118 | 60 | 15 | 55 | 40 | 110 | 8 | 3,3 | 15 | 35 | 8 | 1,5 | 1440 | 450 | 3,65 |
BSEU40-30 | 30 | 118 | 60 | 15 | 55 | 40 | 110 | 8 | 3,3 | 15 | 35 | 8 | 1,5 | 1440 | 450 | 3,56 |
BSEU40-35 | 35 | 118 | 60 | 15 | 55 | 40 | 110 | 10 | 3,3 | 15 | 35 | 8 | 1,5 | 1440 | 450 | 3,45 |
BSEU40-40 | 40 | 118 | 60 | 15 | 55 | 40 | 110 | 12 | 3,3 | 15 | 35 | 8 | 1,5 | 1440 | 450 | 3,32 |
BSEU70-45 | 45 | 165 | 90 | 20 | 59 | 80 | 140 | 14 | 3,8 | 18 | 35 | 10 | 1,5 | 3140 | 350 | 7,44 |
BSEU70-50 | 50 | 165 | 90 | 20 | 59 | 80 | 140 | 14 | 3,8 | 18 | 35 | 10 | 1,5 | 3140 | 350 | 7,28 |
BSEU70-55 | 55 | 165 | 90 | 20 | 59 | 80 | 140 | 16 | 4,3 | 18 | 35 | 10 | 2,0 | 3140 | 350 | 7,09 |
BSEU70-60 | 60 | 165 | 90 | 20 | 59 | 80 | 140 | 18 | 4,4 | 18 | 35 | 10 | 2,0 | 3140 | 350 | 6,88 |
BSEU70-65 | 65 | 165 | 90 | 20 | 59 | 80 | 140 | 18 | 4,4 | 18 | 35 | 10 | 2,0 | 3140 | 350 | 6,68 |
BSEU70-70 | 70 | 165 | 90 | 20 | 59 | 80 | 140 | 20 | 4,9 | 18 | 35 | 10 | 2,0 | 3140 | 350 | 6,43 |