Obchodné podmienky
Na stiahnutie
components@components.sk
+421 907 702 581
Domov
Produkty
O nás
Kontakt
Prihlásenie
/ Registrácia
Perónová oceľ DIN 6880 Nehrdzavejúca oceľ
Produkty
Výrobky z nehrdzavejúcej ocele
Perónová oceľ DIN 6880 Nehrdzavejúca oceľ
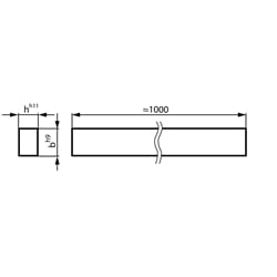
Material:
Stainless steel 1.4571 (AISI 316 Ti). Standard length about 1000 mm.
SKU
bh9 [mm]
hh11 [mm]
Weight [g]
61990202
2
2
31
61990303
3
3
70
61990404
4
4
125
61990505
5
5
195
61990606
6
6
280
61990807
8
7
438
61991008
10
8
626
61991208
12
8
750
61991409
14
9
984
61991610
16
10
1250
61991811
18
11
1560
61992012
20
12
1880
61992514
25
14
2750