KL úchytky, pozinkovaná oceľ


Material: Spring steel, zinc plated.
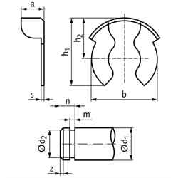
KL retainers are used to fix parts on shafts or bolts in axial direction. They can get mounted and dismounted very easily. They are intended for connections which must be disassembled more often. It is necessary to ensure that there is no unwanted strong contact to the retainer, because it is easily to remove.
* Max. transmittable force, static, on shafts with min. strength 500 N/mm².
** Depending on the shaft diamater.
SKU | Nenngröße | b [mm] | h1 [mm] | h2 [mm] | a [mm] | s [mm] | Fax* [k N] | Gewicht [g/100] | d1h11 [mm] | d2h11 [mm] | m+0,1 [mm] | n [mm] | z [mm] |
---|---|---|---|---|---|---|---|---|---|---|---|---|---|
63780001 | 3 | 4,3 | 5,0 | 3,0 | 2,0 | 0,4 | 1,1 | 4,9 | 3 | 2,3 | 0,64 | 1,5 | 0,5 |
63780101 | 4 | 6,5 | 7,0 | 4,3 | 2,7 | 0,4 | 1,5 | 10,9 | 4 | 3,2 | 0,64 | 2,0 | 0,5 |
63780301 | 5 | 7,5 | 8,7 | 5,2 | 2,8 | 0,5 | 3,0 | 19,5 | 5 | 4,0 | 0,74 | 2,5 | 0,5 |
63780501 | 6 | 10,4 | 11,5 | 6,8 | 3,5 | 0,5 | 4,9 | 33 | 6 | 5,0 | 0,74 | 3,0 | 0,75 |
63780701 | 8 | 11,5 | 12,1 | 7,2 | 4,1 | 0,5 | 5,5 | 41 | 8 | 6,0 | 0,94 | 3,5 | 1,0 |
63780901 | 10 | 15,6 | 16,3 | 9,5 | 5,9 | 0,6 | 9,5 | 90 | 10 | 8,0 | 1,05 | 4,5 | 1,0 |
63781101 | 12 | 16,7 | 18,0 | 10,5 | 6,1 | 0,6 | 10,7 | 110 | 12 | 9,0 | 1,15 | 5,0 | 1,25 |
63781301 | 14 | 19,0 | 20,0 | 11,5 | 6,5 | 0,7 | 12,7 | 158 | 14 | 10,0 | 1,25 | 5,5 | 1,5 |
63781501 | 16 | 22,7 | 23,5 | 13,8 | 7,8 | 0,8 | 14,0 | 228 | 16 | 12,0 | 1,35 | 6,0 | 1,5 |
63781701 | 24 | 34,5 | 34,0 | 20,0 | 9,0 | 1,0 | ** | 617 | 20-25 | 16-18 | 1,80 | 8,0 | 1,5 |