Zdvíhacie kolíky, samozaisťovacie


Material: Heat-treated steel, tempered, manganese phosphated. Press bolt from aluminium, red anodised.
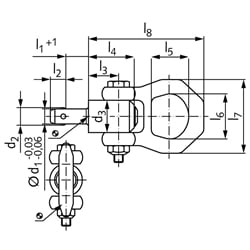
Press = release. Loosen = lock.
Fast and easy-to-use, robust lifting element with moveable shackle, with spring-loaded balls. Special lifting devices, i.e., threads are no longer required on the workpiece. Simple H11 bores are sufficient.
* Load capacity according to DIN EN 13155.
SKU | d1 [mm] | I1 [mm] | d2 [mm] | d3 [mm] | d4min. [mm] | I2 [mm] | I3 [mm] | I4 [mm] | I5 [mm] | I6 [mm] | I7 [mm] | I8 [mm] | x min. [mm] | x max. [mm] | Socket Bore H11 [mm] | F1* [k N] | F2* [k N] | F3* [k N] | Weight [g] |
---|---|---|---|---|---|---|---|---|---|---|---|---|---|---|---|---|---|---|---|
66691015 | 10 | 15 | 11,7 | 21,5 | 12,2 | 10,2 | 25,7 | 36 | 27 | 30 | 49 | 87,5 | 1,5 | 10 | 10 | 2,7 | 2,4 | 2,1 | 139 |
66691025 | 10 | 25 | 11,7 | 21,5 | 12,2 | 10,2 | 25,7 | 36 | 27 | 30 | 49 | 87,5 | 1,5 | 15 | 10 | 2,7 | 2,4 | 2,1 | 145 |
66691035 | 10 | 35 | 11,7 | 21,5 | 12,2 | 10,2 | 25,7 | 36 | 27 | 30 | 49 | 87,5 | 1,5 | 25 | 10 | 2,7 | 2,4 | 2,1 | 152 |
66691050 | 10 | 50 | 11,7 | 21,5 | 12,2 | 10,2 | 25,7 | 36 | 27 | 30 | 49 | 87,5 | 1,5 | 35 | 10 | 2,7 | 2,4 | 2,1 | 161 |
66691215 | 12 | 15 | 14,2 | 21,5 | 14,7 | 11 | 25,7 | 36 | 27 | 30 | 49 | 87,5 | 1,5 | 10 | 12 | 3,5 | 3,2 | 2,8 | 147 |
66691225 | 12 | 25 | 14,2 | 21,5 | 14,7 | 11 | 25,7 | 36 | 27 | 30 | 49 | 87,5 | 1,5 | 20 | 12 | 3,5 | 3,2 | 2,8 | 156 |
66691235 | 12 | 35 | 14,2 | 21,5 | 14,7 | 11 | 25,7 | 36 | 27 | 30 | 49 | 87,5 | 1,5 | 25 | 12 | 3,5 | 3,2 | 2,8 | 162 |
66691250 | 12 | 50 | 14,2 | 21,5 | 14,7 | 11 | 25,7 | 36 | 27 | 30 | 49 | 87,5 | 1,5 | 45 | 12 | 3,5 | 3,2 | 2,8 | 278 |
66691625 | 16 | 25 | 18,6 | 26 | 19,2 | 15,1 | 31 | 44,5 | 27 | 30 | 49 | 92,8 | 1,5 | 20 | 16 | 4,8 | 4,5 | 4,1 | 272 |
66691650 | 16 | 50 | 18,6 | 26 | 19,2 | 15,1 | 31 | 44,5 | 27 | 30 | 49 | 92,8 | 1,5 | 40 | 16 | 4,8 | 4,5 | 4,1 | 311 |
66691675 | 16 | 75 | 18,6 | 26 | 19,2 | 15,1 | 31 | 44,5 | 27 | 30 | 49 | 92,8 | 1,5 | 55 | 16 | 4,8 | 4,5 | 4,1 | 351 |