Ľahké ložiskové dosky HM


Material: Grey Cast Iron GG25.
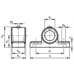
With Bores for Drive-In Oiler. Bore tolerance: ISO D9. Up to size 20 with slot holes for fixing.
SKU | d1 [mm] | Bore tolerance [mm] | a [mm] | b1 [mm] | b2 [mm] | c [mm] | d4 [mm] | d6 [mm] | h1 [mm] | h2 [mm] | m [mm] | Weight [kg] |
---|---|---|---|---|---|---|---|---|---|---|---|---|
62001500 | 15 | +0,093/+0,050 | 95 | 42 | 35 | 18,5 | 5 | 9 x 14 | 30 | 51 | 65 | 0,60 |
62002000 | 20 | +0,117/+0,065 | 95 | 42 | 35 | 18,5 | 5 | 9 x 14 | 30 | 51 | 65 | 0,50 |
62002500 | 25 | +0,117/+0,065 | 116 | 50 | 40 | 17,5 | 5 | 13 | 35 | 61 | 74 | 0,66 |
62003000 | 30 | +0,117/+0,065 | 116 | 50 | 40 | 17,5 | 5 | 15 | 35 | 61 | 74 | 0,57 |
62003500 | 35 | +0,142/+0,080 | 130 | 55 | 45 | 24,0 | 6 | 17 | 43 | 77 | 85 | 1,20 |
62004000 | 40 | +0,142/+0,080 | 145 | 63 | 50 | 24,0 | 6 | 18 | 48 | 81 | 95 | 1,40 |