Linear Slide Bearings PO-3-O Made from Plastic, ISO Series 3, Open Design


Material: Polyacetal with a specific polyethylene. Linear slide bearings have the same external dimensions as the linear bearings of the ISO Series 3. The linear slide bearings should be specifically chosen if, due to unusual operating conditions, linear bearings cannot be used. Linear slide bearings feature the same mounting and securing options as the linear bearings of the ISO Series 3 and can be fitted in the same housings. Temperature range: -40°C to +80°C.
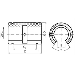
SKU | Fw [mm] | D [mm] | C [mm] | C3 [mm] | E [mm] | Alpha [°] | Load Rating C din. at 0,1 m/s [N] | Load Rating C dyn. at 4 m/s [N] | Load Rating Co stat. [N] | Weight [g] |
---|---|---|---|---|---|---|---|---|---|---|
64621201 | 12 | 22 | 32 | 20 | 7,6 | 78 | 965 | 24 | 3350 | 8 |
64621601 | 16 | 26 | 36 | 22 | 10,4 | 78 | 1530 | 38 | 5400 | 12 |
64622001 | 20 | 32 | 45 | 28 | 10,8 | 60 | 2400 | 60 | 8300 | 23 |
64622501 | 25 | 40 | 58 | 40 | 13,2 | 60 | 4000 | 100 | 14000 | 45 |
64623001 | 30 | 47 | 68 | 48 | 14,2 | 50 | 5500 | 137 | 19300 | 70 |
64624001 | 40 | 62 | 80 | 56 | 18,7 | 50 | 8000 | 200 | 28000 | 150 |
64625001 | 50 | 75 | 100 | 72 | 23,6 | 50 | 12000 | 300 | 41500 | 260 |