Upevňovacie kolíky DIN 6321 typ B, valcové, s kužeľom


Material: steel, hardened and ground.
These pins according to the old standard DIN 6321 are mainly used in devices, machine tools, and measuring fixtures to precisely position, support, or brace workpieces.
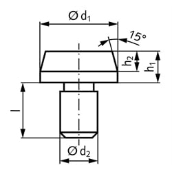
Type B: These pins are used to position workpieces and jig components in precision-fit bores. They help to position precisely drilled parts correctly. Centering in the receiving bolt is allowed according to DIN 6321.
The recommended tolerance of the mounting hole is H7.
SKU | Type | d1g6 [mm] | d2n6 [mm] | h1 [mm] | h2 [mm] | l [mm] | Gewicht [g] |
---|---|---|---|---|---|---|---|
61960607B | kurz | 6 | 4 | 7 | 4 | 6 | 1,7 |
61960612B | lang | 6 | 4 | 12 | 4 | 6 | 3 |
61960810B | kurz | 8 | 6 | 10 | 6 | 9 | 4,9 |
61960816B | lang | 8 | 6 | 16 | 6 | 9 | 8 |
61961010B | kurz | 10 | 6 | 10 | 6 | 9 | 6,9 |
61961018B | lang | 10 | 6 | 18 | 6 | 9 | 12 |
61961210B | kurz | 12 | 6 | 10 | 6 | 9 | 10 |
61961218B | lang | 12 | 6 | 18 | 6 | 9 | 17 |
61961613B | kurz | 16 | 8 | 13 | 8 | 12 | 22 |
61961622B | lang | 16 | 8 | 22 | 8 | 12 | 36 |
61962015B | kurz | 20 | 12 | 15 | 9 | 18 | 58 |
61962025B | lang | 20 | 12 | 25 | 9 | 18 | 73 |
61962515B | kurz | 25 | 12 | 15 | 9 | 18 | 66 |
61962525B | lang | 25 | 12 | 25 | 9 | 18 | 106 |