Upínacia sada TMK Typ A, otvory 5 - 45 mm


- For fixing a hub (e.g. drive wheel, rotor or similar) on a shaft.
- For medium torques.
- Self-centering.
- With a second hexagon to hold against while tightening the nut.
- Axial offset during mounting (can be compensated by correct positioning).
Mounting
It is essential to degrease the shaft and hub. There must be little oil only between the two hexagons. The locking assembly must not get in contact with any fixed components. Hold the back hexagon with a slim open-end wrench and tighten the front hexagon with a torque wrench clockwise to the torque TA as per the table.
Demounting
Hold the back hexagon with a slim open-end wrench and loosen the front hexagon counter-clockwise, until the inner bush moved a few millimeters out of the outer bush.
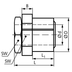
SKU | d [mm] | D [mm] | L [mm] | L 1 [mm] | B [mm] | T [Nm] | Fax [k N] | Pw [N/mm2] | PN [N/mm2] | SW [mm] | TA [Nm] | Gewicht [g] |
---|---|---|---|---|---|---|---|---|---|---|---|---|
61550205 | 5 | 12 | 19 | 9 | 6 | 10 | 4,0 | 264 | 119 | 14 | 10 | 16 |
61550206 | 6 | 12 | 19 | 9 | 6 | 12 | 4,0 | 220 | 119 | 14 | 10 | 15 |
61550207 | 7 | 14 | 22 | 11 | 6 | 20 | 5,8 | 205 | 121 | 16 | 17 | 23 |
61550208 | 8 | 14 | 22 | 11 | 6 | 23 | 5,8 | 180 | 121 | 16 | 17 | 21 |
61550209 | 9 | 18 | 24 | 12 | 7 | 43 | 9,7 | 246 | 144 | 22 | 35 | 47 |
61550210 | 10 | 18 | 24 | 12 | 7 | 48 | 9,7 | 221 | 144 | 22 | 35 | 44 |
61550211 | 11 | 20 | 24 | 12 | 7 | 59 | 10,8 | 225 | 145 | 22 | 44 | 47 |
61550212 | 12 | 20 | 24 | 12 | 7 | 65 | 10,8 | 207 | 145 | 22 | 44 | 44 |
61550214 | 14 | 24 | 28 | 15 | 7 | 93 | 13,3 | 179 | 118 | 27 | 65 | 76 |
61550215 | 15 | 24 | 28 | 15 | 7 | 99 | 13,3 | 167 | 118 | 27 | 65 | 72 |
61550216 | 16 | 24 | 28 | 15 | 7 | 106 | 13,3 | 156 | 118 | 27 | 65 | 67 |
61550217 | 17 | 26 | 34 | 16 | 10 | 163 | 19,2 | 187 | 148 | 32 | 110 | 122 |
61550218 | 18 | 30 | 36 | 17 | 10 | 223 | 24,8 | 224 | 155 | 36 | 160 | 176 |
61550219 | 19 | 30 | 36 | 17 | 10 | 235 | 24,8 | 213 | 155 | 36 | 160 | 169 |
61550220 | 20 | 30 | 36 | 17 | 10 | 248 | 24,8 | 202 | 155 | 36 | 160 | 162 |
61550222 | 22 | 38 | 41 | 20 | 10 | 349 | 31,7 | 197 | 134 | 46 | 250 | 338 |
61550224 | 24 | 38 | 41 | 20 | 10 | 381 | 31,7 | 181 | 134 | 46 | 250 | 315 |
61550225 | 25 | 38 | 41 | 20 | 10 | 397 | 31,7 | 174 | 134 | 46 | 250 | 304 |
61550228 | 28 | 42 | 44 | 23 | 10 | 565 | 40,3 | 174 | 134 | 50 | 355 | 370 |
61550230 | 30 | 42 | 44 | 23 | 10 | 605 | 40,3 | 163 | 134 | 50 | 355 | 345 |
61550232 | 32 | 50 | 51 | 28 | 10 | 764 | 47,7 | 166 | 112 | 55 | 490 | 552 |
61550235 | 35 | 50 | 51 | 28 | 10 | 836 | 47,7 | 152 | 112 | 55 | 490 | 495 |
61550238 | 38 | 58 | 58 | 32 | 11 | 1140 | 60,2 | 155 | 116 | 65 | 700 | 851 |
61550240 | 40 | 58 | 58 | 32 | 11 | 1200 | 60,2 | 147 | 116 | 65 | 700 | 801 |
61550242 | 42 | 60 | 63 | 37 | 11 | 1250 | 59,6 | 120 | 94 | 65 | 740 | 841 |
61550245 | 45 | 60 | 63 | 37 | 11 | 1340 | 59,6 | 112 | 94 | 65 | 740 | 741 |