Poistné matice GUK s polyamidovou vložkou, samoistiace, nehrdzavejúca oceľ
Material: Stainless steel 1.4301 (AISI 304).
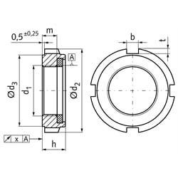
These self-locking slot nuts with metric fine thread are used for fixing bearings or as adjusting nuts. The threads are like locknuts DIN 981 respectively DIN 1804. Please note the pitch, specified in the thread size d1. Recommend tolerance for the shaft thread: 6g DIN ISO 965. Temperature max. 100°C.
| SKU | Typ | d1 [mm] | d2h11 [mm] | d3-0,5 [mm] | hmax. [mm] | mmin. [mm] | b [mm] | t [mm] | x [mm] | Anzahlder Nuten | Gewicht [g] |
|---|---|---|---|---|---|---|---|---|---|---|---|
| 65299401 | GUK 0 | M10 x 0,75 | 18 | 15 | 7,6 | 4,5 | 3 | 1,5 | 0,04 | 4 | 6 |
| 65299402 | GUK 0a | M10 x 1 | 18 | 15 | 7,6 | 4,5 | 3 | 1,5 | 0,04 | 4 | 6 |
| 65299403 | GUK 1 | M12 x 1 | 21 | 18 | 7,6 | 4,5 | 3 | 1,5 | 0,04 | 4 | 8 |
| 65299406 | GUK 2 | M15 x 1 | 24 | 21 | 8,6 | 5,5 | 4 | 1,5 | 0,04 | 4 | 11 |
| 65299408 | GUK 3 | M17 x 1 | 28 | 24 | 8,7 | 5,5 | 4 | 2 | 0,04 | 4 | 17 |
| 65299410 | GUK 4 | M20 x 1 | 32 | 27 | 9,6 | 6,0 | 4 | 2,5 | 0,04 | 4 | 24 |
| 65299413 | GUK 4c | M24 x 1,5 | 38 | 33 | 10,7 | 6,2 | 5 | 2,5 | 0,04 | 4 | 35 |
| 65299414 | GUK 5 | M25 x 1,5 | 38 | 33 | 10,5 | 6,5 | 5 | 2,5 | 0,04 | 4 | 34 |
| 65299416 | GUK 6 | M30 x 1,5 | 44 | 38 | 10,7 | 6,6 | 5 | 3 | 0,04 | 4 | 44 |
| 65299417 | GUK 6a | M32 x 1,5 | 50 | 44 | 11,2 | 6,6 | 5 | 3 | 0,04 | 4 | 63 |
| 65299418 | GUK 7 | M35 x 1,5 | 50 | 44 | 11,3 | 7,0 | 5 | 3 | 0,04 | 4 | 61 |
| 65299419 | GUK 7a | M38 x 1,5 | 53 | 47 | 12,2 | 6,6 | 5 | 3 | 0,04 | 4 | 67 |
| 65299420 | GUK 8 | M40 x 1,5 | 56 | 50 | 12,3 | 7,7 | 6 | 3 | 0,04 | 4 | 79 |
| 65299422 | GUK 9 | M45 x 1,5 | 62 | 55 | 12,3 | 7,8 | 6 | 3,5 | 0,04 | 4 | 94 |
| 65299423 | GUK 9a | M48 x 1,5 | 64 | 57 | 13,7 | 9,1 | 6 | 3,5 | 0,04 | 4 | 107 |
| 65299424 | GUK 10 | M50 x 1,5 | 68 | 61 | 12,9 | 8,1 | 6 | 3,5 | 0,04 | 4 | 129 |