Držiace prvky stroja (bezpečné pre poruchy), so štvorcovou prírubou


Material: Elastomer: Natural rubber 62° +/-5° Shore. Metal parts: Steel, strength 5.6, zinc-plated.
Failsafe machine mounts can be universally used as elastic mounts for all kind of machines. Especially if tensile forces can be expected, these failsafe mounts are the perfect choice of damping element. The stated values are guideline values for the static load at durometer of 62º Shore A (medium), +/- 20%.
1) Spring Load.
2) Permissable permanent static load. No damping for tensile load.
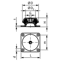
SKU | D [mm] | D2 [mm] | d [mm] | G [mm] | H [mm] | L [mm] | m [mm] | s [mm] | CDmittel 1) [N/mm] | Fzul. 2) [N] | Einfederung [mm] | Gewicht [kg] |
---|---|---|---|---|---|---|---|---|---|---|---|---|
68598000 | 101 | 60 | 9 | M12 | 40 | 108 | 88 | 3 | 2000 | 5000 | 2,5 | 0,67 |
68598500 | 150 | 110 | 12,5 | M16 | 51,5 | 168 | 132 | 4 | 5200 | 13000 | 2,5 | 2,04 |
68599000 | 177 | 125 | 13 | M20 | 63 | 184 | 150 | 4,5 | 4800 | 16800 | 3,5 | 3,10 |
68599500 | 192 | 150 | 13 | M20 | 70 | 200 | 165 | 6 | 5200 | 18200 | 3,5 | 4,45 |