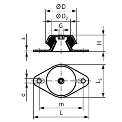
Držiace prvky stroja (nie bezpečné pre poruchy), s oválnou prírubou


Material: Elastomer: Natural rubber 62° +/-5° Shore. Metal parts: Steel, strength 5.6, zinc-plated.
Elastic mounts for machines. Not failsafe: For applications without tensile forces.
The stated values are guideline values for the static load at durometer of 62º Shore A (medium), +/- 20%.
1) Spring Load.
2) Permissable permanent static load.
SKU | D [mm] | D2 [mm] | d [mm] | G [mm] | H [mm] | L [mm] | L2 [mm] | m [mm] | s [mm] | CDmittel1) [N/mm] | Fzul.2) [N] | Einfederung [mm] | Weight [kg] |
---|---|---|---|---|---|---|---|---|---|---|---|---|---|
68594001 | 48 | 38 | 6,2 | M8 | 23 | 81 | 50 | 68 | 1,5 | 1250 | 1250 | 1,0 | 0,10 |
68594501 | 60 | 46 | 8,3 x 16 | M10 | 31 | 106 | 60 | 75 - 90 | 3 | 2500 | 3750 | 1,5 | 0,23 |
68595001 | 77 | 59 | 9 | M10 | 30 | 128 | 77 | 110 | 2 | 2500 | 5000 | 2,0 | 0,52 |
68595201 | 82 | 64 | 11 | M10 | 35 | 128 | 82 | 110 | 3 | 3500 | 7000 | 2,0 | 0,41 |
68595501 | 92 | 73,5 | 10,5 | M12 | 45 | 138 | 95 | 110 | 3 | 3300 | 8250 | 2,5 | 0,62 |
68596001 | 106 | 81 | 14 x 18 | M12 | 38 | 172 | 108 | 138 - 146 | 3 | 4100 | 10250 | 2,5 | 0,66 |
68596501 | 108 | 83 | 16,5 | M16 | 50 | 190 | 112 | 160 | 5 | 3200 | 9600 | 3,0 | 1,26 |
68597001 | 121 | 92 | 13,5 | M16 | 42 | 188 | 122 | 158 | 3 | 3400 | 10200 | 3,0 | 0,98 |
68597501 | 144 | 120 | 14 x 18 | M16 | 48 | 216 | 144 | 186 | 4 | 3600 | 13650 | 3,8 | 1,62 |