Držiace prvky stroja (nie bezpečné pre poruchy), so štvorcovou prírubou


Material: Elastomer: Natural rubber 62° +/-5° Shore. Metal parts: Steel, strength 5.6, zinc-plated.
Elastic mounts for machines. Not failsafe: For applications without tensile forces.
The stated values are guideline values for the static load at durometer of 62º Shore A (medium), +/- 20%.
1) Spring Load.
2) Permissable permanent static load.
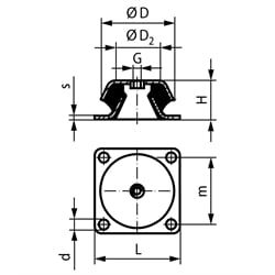
SKU | D [mm] | D2 [mm] | d [mm] | G [mm] | H [mm] | L [mm] | m [mm] | s [mm] | CDmittel 1) [N/mm] | Fzul. 2) [N] | Einfederung [mm] | Gewicht [kg] |
---|---|---|---|---|---|---|---|---|---|---|---|---|
68598001 | 101 | 60 | 9 | M12 | 40 | 108 | 88 | 3 | 5000 | 2000 | 2,5 | 0,67 |
68598501 | 150 | 110 | 12,5 | M16 | 51,5 | 168 | 132 | 4 | 13000 | 5200 | 2,5 | 2,04 |
68599001 | 177 | 125 | 13 | M20 | 63 | 184 | 150 | 4,5 | 16800 | 4800 | 3,5 | 3,10 |
68599501 | 192 | 150 | 13 | M20 | 70 | 200 | 165 | 6 | 18200 | 5200 | 3,5 | 4,45 |