MAE 6233.3 Spherical bearings, ISO 2795 (DIN 1850-3), made of sintered bronze for plain bearings
Material: Sintered bronze similar SINT A50.
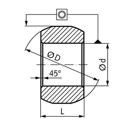
Self lubricating, oil coated bearing insert for radial and swivel mounting of shafts. The spherical shape enables a swivel movement in the customer's housing. The shaft rotates in the bore. Edges chamfered at 45º, at choice of the manufacturer.
Concentricity tolerance IT9.
No statement regarding the surface roughness according to DIN 3141 (prenorm) can be given due to the porous structure of the
sintered metal.
T = Recommended holding torque in the customer-side housing.
| SKU | d [mm] | D [mm] | L [mm] | T [Nm] | Gewicht [g] |
|---|---|---|---|---|---|
| 6233.3-4-10-8 | 4 | 10 | 8 | 0,14 - 0,18 | 2,6 |
| 6233.3-5-12-9 | 5 | 12 | 9 | 0,18 - 0,28 | 4,29 |
| 6233.3-6-14-11 | 6 | 14 | 11 | 0,27 - 0,4 | 6,82 |
| 6233.3-7-16-12 | 7 | 16 | 12 | 0,35 - 0,6 | 9,89 |
| 6233.3-8-18-13 | 8 | 18 | 13 | 0,42 - 0,7 | 13,72 |
| 6233.3-9-20-14,5 | 9 | 20 | 14,5 | 0,5 - 0,8 | 18,71 |
| 6233.3-10-22-16 | 10 | 22 | 16 | 0,7 - 0,9 | 24,77 |
| 6233.3-12-23-16 | 12 | 23 | 16 | 0,85 - 1,2 | 24,85 |