Plastové vodiace lišty pre jednoradové valčekové reťaze B-1


Material: Ultra-high-molecular polyethylene PE-UHMW. These side-rails serve to support fast-running roller chains which are ligned up exactly; other than steel or metal side-rails they dampen the noise and reduce strong wear. Special features to be highlighted: wear-resistant, self-lubricating, acid and impact resistant, temperature range -200°C to +60°C (for short time up to +80°C), corrosion resistant, soil resistant and cost efficient. Stock lengths 1 meter and 2 meter. Fixed length and other types on request.
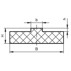
SKU | DIN ISO [Nr.] | Pitch [in.] | Length [mm] | B [mm] | H [mm] | b [mm] | h [mm] | Weight per m [kg] |
---|---|---|---|---|---|---|---|---|
14100100 | 06 B-1 | 3/8 x 7/32" | 1 m | 15 | 10 | 5,4 | 1,5 | 0,13 |
14110100 | 06 B-1 | 3/8 x 7/32" | 2 m | 15 | 10 | 5,4 | 1,5 | 0,26 |
14100300 | 083 | 1/2 x 3/16" | 1 m | 15 | 10 | 4,7 | 1,6 | 0,10 |
14110300 | 083 | 1/2 x 3/16" | 2 m | 15 | 10 | 4,7 | 1,6 | 0,20 |
14100500 | 08 B-1 | 1/2 x 5/16" | 1 m | 20 | 10 | 7,4 | 2,2 | 0,18 |
14110500 | 08 B-1 | 1/2 x 5/16" | 2 m | 20 | 10 | 7,4 | 2,2 | 0,36 |
14100501 | 08 B-1 | 1/2 x 5/16" | 1 m | 20 | 15 | 7,4 | 2,2 | 0,26 |
14110501 | 08 B-1 | 1/2 x 5/16" | 2 m | 20 | 15 | 7,4 | 2,2 | 0,54 |
14100502 | 08 B-1 | 1/2 x 5/16" | 1 m | 20 | 20 | 7,4 | 2,2 | 0,34 |
14110502 | 08 B-1 | 1/2 x 5/16 | 2 m | 20 | 20 | 7,4 | 2,2 | 0,68 |
14100600 | 10 B-1 | 5/8 x 3/8" | 1 m | 20 | 15 | 9,2 | 2,6 | 0,25 |
14110600 | 10 B-1 | 5/8 x 3/8" | 2 m | 20 | 15 | 9,2 | 2,6 | 0,50 |
14100601 | 10 B-1 | 5/8 x 3/8" | 1 m | 20 | 20 | 9,2 | 2,6 | 0,33 |
14110601 | 10 B-1 | 5/8 x 3/8" | 2 m | 20 | 20 | 9,2 | 2,6 | 0,66 |
14100700 | 12 B-1 | 3/4 x 7/16" | 1 m | 25 | 15 | 11,3 | 2,4 | 0,32 |
14110700 | 12 B-1 | 3/4 x 7/16" | 2 m | 25 | 15 | 11,3 | 2,4 | 0,64 |
14100701 | 12 B-1 | 3/4 x 7/16" | 1 m | 25 | 20 | 11,3 | 2,4 | 0,43 |
14110701 | 12 B-1 | 3/4 x 7/16" | 2 m | 25 | 20 | 11,3 | 2,4 | 0,86 |
14100800 | 16 B-1 | 1" x 17,02 mm | 1 m | 40 | 15 | 16,5 | 3,5 | 0,45 |
14110800 | 16 B-1 | 1" x 17,02 mm | 2 m | 40 | 15 | 16,5 | 3,5 | 0,90 |
14100801 | 16 B-1 | 1" x 17,02 mm | 1 m | 40 | 20 | 16,5 | 3,5 | 0,68 |
14110801 | 16 B-1 | 1" x 17,02 mm | 2 m | 40 | 20 | 16,5 | 3,5 | 1,36 |