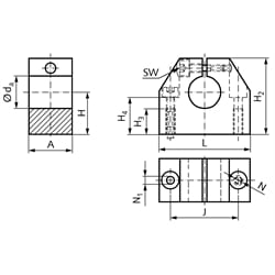
Presné hriadeľové bloky GW-1 ISO séria 1


Material: Extruded aluminium. Matching linear-bearing units of ISO Series 1. Shaft blocks are practical and robust machine elements, that provide a simple way of attaching the guiding shaft of the linear bearings on the respective machine parts. They allow true to size and, most important, cost efficient constructions. * when mounting from above choose the next smaller screw size.
SKU | da [mm] | A [mm] | H [mm] | H2 [mm] | H3 [mm] | H4 [mm] | J [mm] | L [mm] | N1 [mm] | N * [mm] | sw [mm] | Weight [g] |
---|---|---|---|---|---|---|---|---|---|---|---|---|
64640606 | 6 | 16 | 15 | 27 | 11 | 13 | 22 | 32 | 4,2 | M5 | 2,5 | 30 |
64640808 | 8 | 16 | 16 | 27 | 11 | 13 | 22 | 32 | 4,2 | M5 | 2,5 | 30 |
64641010 | 10 | 18 | 18 | 33 | 13 | 16 | 27 | 40 | 5,2 | M6 | 3 | 50 |
64641212 | 12 | 18 | 19 | 33 | 13 | 16 | 27 | 40 | 5,2 | M6 | 3 | 50 |
64641414 | 14 | 20 | 20 | 38 | 13 | 18 | 32 | 45 | 5,2 | M6 | 3 | 70 |
64641616 | 16 | 20 | 22 | 38 | 13 | 18 | 32 | 45 | 5,2 | M6 | 3 | 70 |
64642020 | 20 | 24 | 25 | 45 | 18 | 22 | 39 | 53 | 6,8 | M8 | 4 | 120 |
64642525 | 25 | 28 | 31 | 54 | 22 | 26 | 44 | 62 | 8,6 | M10 | 5 | 170 |
64643030 | 30 | 30 | 34 | 60 | 22 | 29 | 49 | 67 | 8,6 | M10 | 5 | 220 |
64644040 | 40 | 40 | 42 | 76 | 26 | 38 | 66 | 87 | 10,3 | M12 | 6 | 480 |
64645050 | 50 | 50 | 50 | 92 | 34 | 46 | 80 | 103 | 14,3 | M16 | 8 | 820 |