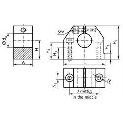
Presné hriadeľové bloky GW-3 ISO séria 3


Material: Extruded aluminium. Matching linear-bearing units of ISO Series 3. Shaft blocks are practical and robust machine elements, that provide a simple way of attaching the guiding shaft of the linear bearings on the respective machine parts. They allow true to size and, most important, cost efficient constructions. * when mounting from the bottom side choose the next smaller screw size.
SKU | da [mm] | A [mm] | H [mm] | H1 [mm] | H2 [mm] | H3 [mm] | H4 [mm] | J [mm] | L [mm] | N* [mm] | N1 [mm] | sw [mm] | Weight [g] |
---|---|---|---|---|---|---|---|---|---|---|---|---|---|
64641201 | 12 | 20 | 20 | 6 | 35 | 13 | 16,5 | 30 | 43 | M6 | 5,6 | 3 | 60 |
64641601 | 16 | 24 | 25 | 7 | 42 | 18 | 21 | 38 | 53 | M8 | 7,5 | 4 | 110 |
64642001 | 20 | 30 | 30 | 7,5 | 50 | 22 | 25 | 42 | 60 | M10 | 9,4 | 5 | 170 |
64642501 | 25 | 38 | 35 | 8,5 | 61 | 26 | 30 | 56 | 78 | M12 | 11,2 | 6 | 340 |
64643001 | 30 | 40 | 40 | 9,5 | 70 | 26 | 34 | 64 | 87 | M12 | 11,2 | 6 | 460 |
64644001 | 40 | 48 | 50 | 11 | 90 | 34 | 44 | 82 | 108 | M16 | 15,1 | 8 | 900 |
64645001 | 50 | 58 | 60 | 11 | 105 | 43 | 49 | 100 | 132 | M20 | 17,5 | 10 | 1450 |