Presné čelné ozubené kolesá, ľavostranné so špirálovým ozubením, Modul 5


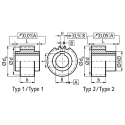
Material: Steel 16MnCr5, case hardened approx. 60 HRC. Teeth, bores and faces ground. Helical tooth system, left hand 19° 31' 42''. Tooth quality 7e25. Keyways in accordance with DIN 6885/1, tolerance P9. Note: These gears are designed to be used in combination with our helical-toothed right-handed gear racks. If this gear is used to drive a mating gear instead, this mating gear must have the same lead angle and the opposite tooth direction (right hand).