Profilované vodiace valčeky LFR-2Rs s tesneniami, nehrdzavejúca oceľ
Material: Stainless steel X105CrMo17.
• Standard rollers in high quality with very strong outer ring and special groove design for 2-point contact. Pressure angle 30°.
• Integrated double-row angular contact ball bearings for common axial and high radial load.
• Usable on hardened and ground linear shaft steel with shaft support or on special linear guides.
• With contacting rubber seals 2RS.
Accuracy class PN DIN 620. Radial clearance approaching class CN. From size dw 16 with lubrication hole at the inner ring. Temperature range: -30°C to +90°C (for short time up to +110°C).
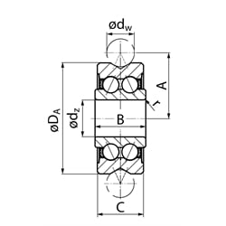
| SKU | Bezeichnung | dw [mm] | dz [mm] | DA [mm] | A [mm] | B [mm] | C [mm] | r [mm] | CW [k N] | CWO [k N] | Frz [k N] | FOrz [k N] | Gewicht [g] |
|---|---|---|---|---|---|---|---|---|---|---|---|---|---|
| 64780601 | LFR50/5-4-2RS-RB | 4 | 5 | 16 | 9 | 8 | 7 | 0,2 | 1,2 | 0,86 | 1,3 | 1,78 | 9 |
| 64780602 | LFR50/5-6-2RS-RB | 6 | 5 | 17 | 10,5 | 8 | 7 | 0,2 | 1,27 | 0,82 | 1,3 | 1,78 | 10 |
| 64780603 | LFR50/8-6-2RS-RB | 6 | 8 | 24 | 14 | 11 | 11 | 0,3 | 3,67 | 2,28 | 1,3 | 4,56 | 20 |
| 64780604 | LFR5201-10-2RS-RB | 10 | 12 | 35 | 20,65 | 15,9 | 15,9 | 0,3 | 8,5 | 5,1 | 5,1 | 10,2 | 66 |
| 64780605 | LFR5301-10-2RS-RB | 10 | 12 | 42 | 24 | 19 | 19 | 0,6 | 13 | 7,7 | 7,5 | 14,2 | 135 |
| 64780606 | LFR5302-10-2RS-RB | 10 | 15 | 47 | 26,65 | 19 | 19 | 1,0 | 16,2 | 9,2 | 6,2 | 18,4 | 170 |
| 64780607 | LFR5201-12-2RS-RB | 12 | 12 | 35 | 21,75 | 15,9 | 15,9 | 0,3 | 8,4 | 5,0 | 5,1 | 10 | 66 |
| 64780608 | LFR5204-16-2RS-RB | 16 | 20 | 52 | 31,5 | 22,6 | 20,6 | 0,6 | 16,8 | 9,5 | 12,1 | 16,6 | 195 |
| 64780609 | LFR5206-20-2RS-RB | 20 | 25 | 72 | 41 | 25,8 | 23,8 | 0,6 | 29,5 | 16,6 | 20,7 | 33,2 | 435 |
| 64780610 | LFR5206-25-2RS-RB | 25 | 25 | 72 | 43,5 | 25,8 | 23,8 | 0,6 | 29,2 | 16,4 | 23,1 | 32,8 | 425 |
| 64780611 | LFR5207-30-2RS-RB | 30 | 30 | 80 | 51 | 29 | 27 | 1,0 | 38 | 20,8 | 21,4 | 36,2 | 600 |
| 64780612 | LFR5208-40-2RS-RB | 40 | 40 | 98 | 62,5 | 38 | 36 | 1,0 | 54,8 | 29,0 | 55,0 | 58 | 1100 |