Product image
Product image

Material: Gear: open-cell PU foam, pre-oiled with adhesive oil (H1 approval). Axle: stainless steel. Plain bearing.

Module toothing according to DIN 867. Not for torque transmission. The lubrication gear can lubricate a gear or a gear rack. Preferably, the gear should be lubricated. The foam stores the lubricant and releases it in very small doses. The lubricant supply can be done automatically or manually, e.g. with a grease gun.

Temperature range: -10°C to +80°C.

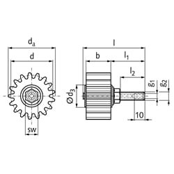
SKU Modul No. of Teeth b [mm] da [mm] d [mm] I [mm] I1 [mm] I2 [mm] g1 [mm] g2 [mm] d3 [mm] sw [mm] Gewicht [g]
68057115A 1,5 24 15 39 36 62,4±2 45,1 34,2±1 M6 M10 27 15 57
68057120A 2 17 20 38 34 65,5±2 43,2 31,5±1 M6 M10 27 15 63
68057130A 3 17 30 57 51 72,8±2 40,5 29,8±1 M6 M10 27 15 83
68057140A 4 17 40 76 68 82,8±2 40,5 29,8±1 M6 M10 27 15 124
68057150A 5 17 50 95 85 118±2 65,7 47,5±1 M10x1 M16 60 24 369
68057160A 6 17 60 114 102 128±2 65,7 47,5±1 M10x1 M16 60 24 448
68057180A 8 17 80 152 136 148±2 65,7 47,5±1 M10x1 M16 60 24 622
68057100A 10 17 100 190 170 168±2 65,7 47,5±1 M10x1 M16 100 24 709
68057115A10 1,5 24 10 39 36 57±2 44,7 33,9±1 M6 M10 27 15 57
68057120A15 2 17 15 38 34 62,4±2 45,1 34,2±1 M6 M10 27 15 63
68057125A20 2,5 17 20 47,5 42,5 65,5±2 43,2 31,5±1 M6 M10 27 15 83
68057125A 2,5 17 25 47,5 42,5 67,8±2 40,5 29,8±1 M6 M10 27 15 83
68057130A25 3 17 25 57 51 67,8±2 40,5 29,8±1 M6 M10 27 15 83
68057140A30 4 17 30 76 68 72,8±2 40,5 29,8±1 M6 M10 27 15 124
68057150A40 5 17 40 95 85 108±2 65,7 47,5±1 M10x1 M16 60 24 332
68057160A50 6 17 50 114 102 118±2 65,7 47,5±1 M10x1 M16 60 24 448
68057180A65 8 17 65 152 136 133±2 65,7 47,5±1 M10x1 M16 60 24 622