PU mazacie ozubené kolesá, rovné ozubenie, radiálny mazací port


Material: Gear: open-cell PU foam, pre-oiled with adhesive oil (H1 approval). Axle: stainless steel. Plain bearing.
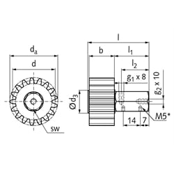
Module toothing according to DIN 867. Not for torque transmission. The lubrication gear can lubricate a gear or a gear rack. Preferably, the gear should be lubricated. The foam stores the lubricant and releases it in very small doses. The lubricant supply can be done automatically or manually, e.g. with a grease gun.
Note: Radial lubrication connection thread for use with a hose connector or a separately available extension adapter for assembly with a reducer and lubricant dispenser. When using a reducer in combination with the radial axis, an extension adapter must be used to prevent collisions between the reducer and the PU foam.
Temperature range: -10°C to +80°C.
SKU | Modul | No. of Teeth | b [mm] | da [mm] | d [mm] | I [mm] | I1 [mm] | I2 [mm] | g1 [mm] | g2 [mm] | d3 [mm] | sw [mm] | Gewicht [g] |
---|---|---|---|---|---|---|---|---|---|---|---|---|---|
68057115R | 1,5 | 24 | 15 | 39 | 36 | 46,4 | 30,7 | 22 | M10x1 | M8 | 27 | 24 | 129 |
68057120R | 2 | 17 | 20 | 38 | 34 | 51,4 | 30,7 | 22 | M10x1 | M8 | 27 | 24 | 135 |
68057130R | 3 | 17 | 30 | 57 | 51 | 61,4 | 30,7 | 22 | M10x1 | M8 | 27 | 24 | 155 |
68057140R | 4 | 17 | 40 | 76 | 68 | 71,4 | 30,7 | 22 | M10x1 | M8 | 27 | 24 | 196 |
68057150R | 5 | 17 | 50 | 95 | 85 | 81,4 | 30,7 | 22 | M10x1 | M8 | 60 | 24 | 346 |
68057160R | 6 | 17 | 60 | 114 | 102 | 91,4 | 30,7 | 22 | M10x1 | M8 | 60 | 24 | 425 |
68057180R | 8 | 17 | 80 | 152 | 136 | 111,4 | 30,7 | 22 | M10x1 | M8 | 100 | 24 | 694 |
68057100R | 10 | 17 | 100 | 190 | 170 | 131,4 | 30,7 | 22 | M10x1 | M8 | 100 | 24 | 781 |