Remenice H 100
Material: Up to a Teeth Number of 40 phosphated steel, from a Teeth Number of 44 grey cast iron GG25 (on request). Pre-bored.
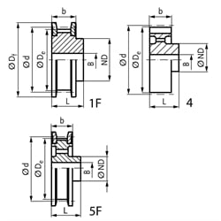
Profile H = 1/2" = 12.7 mm. Belt width 100 = 25.4 mm.
| SKU | No. of Teeth | Type | Belt Width [mm] | De [mm] | Df [mm] | d [mm] | ND [mm] | b [mm] | L [mm] | Pilot Bore B [mm] | Weight [kg] |
|---|---|---|---|---|---|---|---|---|---|---|---|
| 18411400 | 14 | 1F | 25,4 | 55,22 | 63,0 | 56,59 | 40 | 31,8 | 45 | 12 | 0,68 |
| 18411500 | 15 | 1F | 25,4 | 59,27 | 66,0 | 60,64 | 45 | 31,8 | 45 | 12 | 0,77 |
| 18411600 | 16 | 1F | 25,4 | 63,31 | 71,0 | 64,67 | 45 | 31,8 | 45 | 12 | 0,89 |
| 18411700 | 17 | 1F | 25,4 | 67,35 | 75,0 | 68,72 | 45 | 31,8 | 45 | 12 | 0,96 |
| 18411800 | 18 | 1F | 25,4 | 71,39 | 79,0 | 72,77 | 55 | 31,8 | 45 | 12 | 1,18 |
| 18411900 | 19 | 1F | 25,4 | 75,44 | 83,0 | 76,81 | 60 | 31,8 | 45 | 14 | 1,28 |
| 18412000 | 20 | 1F | 25,4 | 79,48 | 87,0 | 80,85 | 62 | 31,8 | 45 | 14 | 1,43 |
| 18412100 | 21 | 1F | 25,4 | 83,52 | 91,0 | 84,89 | 65 | 31,8 | 45 | 14 | 1,58 |
| 18412200 | 22 | 1F | 25,4 | 87,56 | 93,0 | 88,93 | 68 | 31,8 | 45 | 14 | 1,74 |
| 18412300 | 23 | 1F | 25,4 | 91,61 | 97,0 | 92,98 | 72 | 31,8 | 45 | 14 | 1,92 |
| 18412400 | 24 | 1F | 25,4 | 95,65 | 103,0 | 97,03 | 72 | 31,8 | 45 | 14 | 2,07 |
| 18412500 | 25 | 1F | 25,4 | 99,69 | 106,0 | 101,06 | 72 | 31,8 | 45 | 14 | 2,22 |
| 18412600 | 26 | 1F | 25,4 | 103,73 | 111,0 | 105,11 | 80 | 31,8 | 45 | 14 | 2,48 |
| 18412700 | 27 | 1F | 25,4 | 107,78 | 115,0 | 109,15 | 80 | 31,8 | 45 | 14 | 2,65 |
| 18412800 | 28 | 1F | 25,4 | 111,82 | 119,0 | 113,18 | 80 | 31,8 | 45 | 14 | 2,82 |
| 18413000 | 30 | 1F | 25,4 | 119,90 | 127,0 | 121,29 | 80 | 31,8 | 45 | 14 | 3,18 |
| 18413200 | 32 | 1F | 25,4 | 127,99 | 135,0 | 129,30 | 80 | 31,8 | 45 | 14 | 3,55 |
| 18413300 | 33 | 1F | 19,1 | 132,03 | 138,0 | 133,40 | 80 | 31,8 | 45 | 14 | 3,79 |
| 18413400 | 34 | 1F | 25,4 | 136,07 | 143,0 | 137,45 | 80 | 31,8 | 45 | 14 | 4,01 |
| 18413500 | 35 | 1F | 25,4 | 140,12 | 148,0 | 141,49 | 80 | 31,8 | 45 | 14 | 4,22 |
| 18413600 | 36 | 1F | 25,4 | 144,16 | 152,0 | 145,54 | 80 | 31,8 | 45 | 14 | 4,38 |
| 18413800 | 38 | 1F | 25,4 | 152,24 | 158,0 | 153,62 | 80 | 31,8 | 45 | 14 | 5,01 |
| 18414000 | 40 | 1F | 25,4 | 160,33 | 168,0 | 161,70 | 80 | 31,8 | 45 | 14 | 5,38 |
| 18414400 | 44 | 5F | 25,4 | 176,50 | 184,0 | 177,88 | 80 | 31,8 | 50 | 18 | 3,79 |
| 18414800 | 48 | 5F | 25,4 | 192,67 | 200,0 | 194,03 | 90 | 31,8 | 50 | 18 | 4,46 |
| 18415000 | 50 | 4 | 25,4 | 200,75 | - | 202,13 | 90 | 31,8 | 50 | 18 | 3,80 |
| 18415800 | 58 | 4 | 25,4 | 233,09 | - | 234,47 | 90 | 31,8 | 50 | 18 | 4,27 |
| 18416000 | 60 | 4 | 25,4 | 241,18 | - | 242,55 | 120 | 31,8 | 50 | 18 | 6,37 |
| 18417200 | 72 | 4 | 25,4 | 289,69 | - | 291,06 | 120 | 31,8 | 55 | 18 | 7,33 |
| 18418400 | 84 | 4 | 25,4 | 338,20 | - | 339,57 | 120 | 31,8 | 55 | 18 | 8,33 |