Kladky T2,5, šírka remeňa 6 mm, hliníkové


Material: Aluminium similar EN AW2017A. Flanges zinc-plated steel.
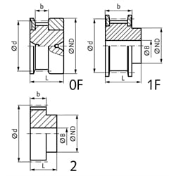
SKU | Type | No. of Teeth | Belt Width [mm] | Outer Ø Toothed Wheel [mm] | Outer Ø Flanged Wheel [mm] | d [mm] | ND [mm] | b [mm] | L [mm] | Pilot Bore B [mm] | Weight [g] |
---|---|---|---|---|---|---|---|---|---|---|---|
16021000 | 0F | 10 | 6 | 7,46 | 10,0 | 7,96 | 10 | 9 | 16 | - | 3 |
16021100 | 0F | 11 | 6 | 8,25 | 13,0 | 8,75 | 10 | 9 | 16 | - | 3 |
16021200 | 0F | 12 | 6 | 9,05 | 13,0 | 9,55 | 12 | 9 | 16 | - | 3 |
16021300 | 0F | 13 | 6 | 9,85 | 13,0 | 10,35 | 12 | 9 | 16 | - | 4 |
16021400 | 0F | 14 | 6 | 10,64 | 15,0 | 11,14 | 14 | 9 | 16 | - | 4 |
16021500 | 0F | 15 | 6 | 11,44 | 15,0 | 11,94 | 15 | 9 | 16 | - | 5 |
16021600 | 0F | 16 | 6 | 12,23 | 16,0 | 12,73 | 16 | 9 | 16 | - | 5 |
16021700 | 1F | 17 | 6 | 13,03 | 18,0 | 13,53 | 10 | 10 | 16 | 3 | 5 |
16021800 | 1F | 18 | 6 | 13,82 | 18,0 | 14,32 | 10 | 10 | 16 | 3 | 6 |
16021900 | 1F | 19 | 6 | 14,62 | 18,0 | 15,12 | 10 | 10 | 16 | 3 | 7 |
16022000 | 1F | 20 | 6 | 15,42 | 19,5 | 15,92 | 11 | 10 | 16 | 3 | 8 |
16022200 | 1F | 22 | 6 | 17,01 | 23,0 | 17,51 | 11 | 10 | 16 | 3 | 9 |
16022400 | 1F | 24 | 6 | 18,60 | 23,0 | 19,10 | 12 | 10 | 16 | 3 | 12 |
16022500 | 1F | 25 | 6 | 19,39 | 23,0 | 19,89 | 13 | 10 | 16 | 3 | 13 |
16022600 | 1F | 26 | 6 | 20,19 | 25,0 | 20,69 | 14 | 10 | 16 | 4 | 14 |
16022800 | 1F | 28 | 6 | 21,78 | 25,0 | 22,28 | 14 | 10 | 16 | 4 | 16 |
16023000 | 1F | 30 | 6 | 23,37 | 28,0 | 23,87 | 16 | 10 | 16 | 6 | 18 |
16023200 | 1F | 32 | 6 | 24,96 | 32,0 | 25,46 | 16 | 10 | 16 | 6 | 20 |
16023600 | 1F | 36 | 6 | 28,15 | 36,0 | 28,65 | 20 | 10 | 16 | 6 | 26 |
16024000 | 1F | 40 | 6 | 31,33 | 38,0 | 31,83 | 22 | 10 | 16 | 6 | 32 |
16024400 | 2 | 44 | 6 | 34,51 | - | 35,01 | 24 | 10 | 16 | 6 | 40 |
16024800 | 2 | 48 | 6 | 37,70 | - | 38,20 | 26 | 10 | 16 | 6 | 48 |
16026000 | 2 | 60 | 6 | 47,25 | - | 47,75 | 34 | 10 | 16 | 8 | 73 |
16027200 | 2 | 72 | 6 | 56,80 | - | 57,30 | 34 | 10 | 16 | 10 | 79 |
16028400 | 2 | 84 | 6 | 66,35 | - | 66,85 | 38 | 10 | 16 | 10 | 108 |
16029600 | 2 | 96 | 6 | 75,89 | - | 76,39 | 40 | 10 | 16 | 10 | 139 |