Product image
Product image

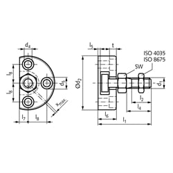
Material: Screwed flange and coupling part: Heat-treated steel, tempered and phosphated. Lock nut: Steel, black.

With coupling screw.

The quick-release couplings enable components to be connected and disconnected quickly and easily. They can also efficiently compensate operational radial misalignment. The screw-on flange ensures secure fastening, additional stability and greater operational reliability. They are versatile and can be used in industrial conveyor systems or assembly fixtures, for example.
Depending on the size, the couplings can compensate radial misalignment of up to 1 mm between the axes to be connected.

Note: These couplings do NOT transmit torque!

SKU d1 [mm] d2 [mm] d4 [mm] d5 [mm] ≈ l1 [mm] l2 [mm] l4 [mm] l5 [mm] l6 [mm] l7 [mm] l8 [mm] t [mm] SW [mm] x [mm] FN [k N] Gewicht [g]
60782006 M6 42 5,5 10 30,5 11 14 3 11 7 14 5,4 10 0,6 2,5 75
60782008 M8 48 6,6 11 35,5 13,5 17 3 13 8 16 6,4 13 0,7 4,5 118
60782010 M10 50 6,6 11 43,2 16 20 4,2 16 9 17 6,4 17 0,7 6,5 175
60782010F M10x1,25 50 6,6 11 43,2 16 20 4,2 16 9 17 6,4 17 0,7 6,5 176
60782012 M12 55 6,6 11 53,2 21 25 4,2 20,5 10 19 6,4 19 0,8 10 279
60782012F M12x1,25 55 6,6 11 53,2 21 25 4,2 20,5 10 19 6,4 19 0,8 10 280
60782016 M16 65 9 15 64 25 30 5 23 12,5 22,5 8,5 24 1 18 455
60782016F M16x1,5 65 9 15 64 25 30 5 23 12,5 22,5 8,5 24 1 18 454
60782020 M20 80 11 18 74 29 35 5 26 17 28 10 30 1 30 810
60782020F M20x1,5 80 11 18 74 29 35 5 26 17 28 10 30 1 30 812