ROBA®-Posávacie náboje / Obmedzovače krútiaceho momentu


Material: Steel. ROBA®-sliding hubs, high-quality machine components, are used as torque limiters for chain-, gear- and belt-drives. They are high-quality machine components. They are machined all-round and zinc-phosphated, i.e. rust-proof. They are of fully-closed design. The hubs are delivered with pilt bore and max. bush length. Customized bores, and feather-key grooves and setscrew-threads available at surcharge.
* See catalogue page.
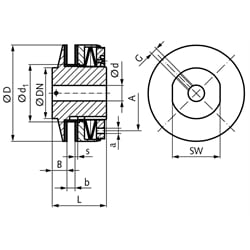
SKU | For Sliding Hub | Torque min. [Nm] | Torque max. [Nm] | Speed max. [rpm] | Clamping Tool A [mm] | Clamping Tool a -0,2 [mm] | B [mm] | b min. [mm] | b max. [mm] | Outer-Ø D [mm] | DN [mm] | Sprocket Bore d1 H8 [mm] | Pilot Bore [mm] | d Pilot Bore [mm] | Adjustment Screw G [mm] | L [mm] | SW [mm] | Covering St. S S [mm] | Weight [g] |
---|---|---|---|---|---|---|---|---|---|---|---|---|---|---|---|---|---|---|---|
61230000 | 0 | 2 | 10 | 8500 | 37 | 3 | 8,5 | 2 | 6 | 45 | 45 | 35 | 6 | 20 | M4 | 33 | - | 2,5 | 300 |
61231000 | 01 | 6 | 30 | 6600 | 46 | 5 | 16 | 3 | 8 | 58 | 40 | 40 | 10 | 22 | M* | 45 | 32 | 3,0 | 600 |
61232000 | 1 | 14 | 70 | 5600 | 50 | 5 | 17 | 3 | 10 | 68 | 45 | 44 | 10 | 25 | M* | 52 | 41 | 3,0 | 900 |
61234000 | 2 | 26 | 130 | 4300 | 67 | 6 | 19 | 4 | 12 | 88 | 58 | 58 | 14 | 35 | M* | 57 | 50 | 3,0 | 1600 |
61236000 | 3 | 50 | 250 | 3300 | 84 | 6 | 21 | 5 | 15 | 115 | 75 | 72 | 18 | 45 | M* | 68 | 65 | 4,0 | 3100 |
61238000 | 4 | 110 | 550 | 2700 | 104 | 7 | 23 | 6 | 18 | 140 | 90 | 85 | 24 | 55 | M8 | 78 | 80 | 4,0 | 5400 |
61240000 | 5 | 140 | 700 | 2200 | 125 | 8 | 29 | 8 | 20 | 170 | 102 | 98 | 28 | 65 | M8 | 92 | 90 | 5,0 | 9000 |
61242000 | 6 | 240 | 1200 | 1900 | 150 | 10 | 31 | 8 | 23 | 200 | 120 | 116 | 38 | 80 | M8 | 102 | 105 | 5,0 | 12400 |