Kĺbové oká GS DIN ISO 12240-4, K, s vonkajším závitom, bez mazania (nutné pred montážou namazať!!!)


Material: Outer part: Zinc-plated. Boreholes up to 12mm: free-cutting steel, turned. From boreholes 14mm: Steel C22, forged. Inner ring: Roller bearing steel 100Cr6, hardened HRC 62+/-1, ground and polished. Bearing race: Special brass CuZn40Als. Wide version. Dimensions according to DIN ISO 12240-4 (DIN 648) series K. Thread either right-handed or left-handed.
- Heavy-duty rods end for high radial and axial alternating loads.
- Steel on high-duty brass.
- Can be re-lubricated (only from size 6mm).
- Sliding speed up to 60 m/min.
Initial lubrication required before use
Note: The specific loading of rod ends and spherical-plain bearings differs in each application. Therefore general statements by a producer in a catalogue may not totally fit to the single application. In all cases the user has to coordinate the theoretical selection criteria with the concrete installation situation and check the suitability of the rod end respectively spherical-plain bearing. In this context the user has to define sufficient security factors and maintenance intervals.
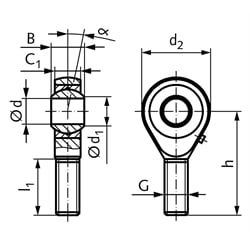
SKU | Thread Type | d H7 [mm] | B-0,1 [mm] | C1 [mm] | d1 [mm] | d2 [mm] | h [mm] | l1 [mm] | Thread ISO DIN 13 6H/ 6g M [mm] | Thread Slope[mm] | Tipping Angle Alpha [°] | Weight [g] |
---|---|---|---|---|---|---|---|---|---|---|---|---|
63220200 | rechts | 2 | 4,5 | 3,6 | 2,6 | 9 | 20 | 12 | M2 | 0,4 | 16 | 3 |
63220300 | rechts | 3 | 6 | 4,5 | 5,1 | 14 | 26 | 15 | M3 | 0,5 | 14 | 6 |
63220500 | rechts | 5 | 8 | 6 | 7,7 | 18 | 33 | 20 | M5 | 0,8 | 13 | 13 |
63220600 | rechts | 6 | 9 | 6,75 | 8,9 | 20 | 36 | 22 | M6 | 1,0 | 13 | 20 |
63220800 | rechts | 8 | 12 | 9 | 10,4 | 24 | 42 | 25 | M8 | 1,25 | 14 | 33 |
63221000 | rechts | 10 | 14 | 10,5 | 12,9 | 28 | 48 | 29 | M10 | 1,5 | 13 | 56 |
63221200 | rechts | 12 | 16 | 12 | 15,4 | 32 | 54 | 33 | M12 | 1,75 | 13 | 87 |
63221400 | rechts | 14 | 19 | 13,5 | 16,8 | 36 | 60 | 36 | M14 | 2,0 | 16 | 129 |
63221600 | rechts | 16 | 21 | 15 | 19,3 | 42 | 66 | 40 | M16 | 2,0 | 15 | 189 |
63221800 | rechts | 18 | 23 | 16,5 | 21,8 | 46 | 72 | 44 | M18x1,5 | 1,5 | 15 | 267 |
63222000 | rechts | 20 | 25 | 18 | 24,3 | 50 | 78 | 47 | M20x1,5 | 1,5 | 14 | 348 |
63222200 | rechts | 22 | 28 | 20 | 25,8 | 54 | 84 | 51 | M22x1,5 | 1,5 | 15 | 443 |
63222500 | rechts | 25 | 31 | 22 | 29,6 | 60 | 94 | 57 | M24x2 | 2,0 | 15 | 600 |
63223000 | rechts | 30 | 37 | 25 | 34,8 | 70 | 110 | 71 | M30x2 | 2,0 | 17 | 1030 |
63223500 | rechts | 35 | 43 | 28 | 37,7 | 80 | 125 | 73 | M36x2 | 2,0 | 19 | 1600 |
63224000 | rechts | 40 | 49 | 35 | 44,2 | 90 | 142 | 78 | M42x2 | 2,0 | 16 | 2550 |
63230200 | links | 2 | 4,5 | 3,6 | 2,6 | 9 | 20 | 12 | M2 | 0,4 | 16 | 3 |
63230300 | links | 3 | 6 | 4,5 | 5,1 | 14 | 26 | 15 | M3 | 0,5 | 14 | 6 |
63230500 | links | 5 | 8 | 6 | 7,7 | 18 | 33 | 20 | M5 | 0,8 | 13 | 13 |
63230600 | links | 6 | 9 | 6,75 | 8,9 | 20 | 36 | 22 | M6 | 1,0 | 13 | 20 |
63230800 | links | 8 | 12 | 9 | 10,4 | 24 | 42 | 25 | M8 | 1,25 | 14 | 33 |
63231000 | links | 10 | 14 | 10,5 | 12,9 | 28 | 48 | 29 | M10 | 1,5 | 13 | 56 |
63231200 | links | 12 | 16 | 12 | 15,4 | 32 | 54 | 33 | M12 | 1,75 | 13 | 87 |
63231400 | links | 14 | 19 | 13,5 | 16,8 | 36 | 60 | 36 | M14 | 2,0 | 16 | 129 |
63231600 | links | 16 | 21 | 15 | 19,3 | 42 | 66 | 40 | M16 | 2,0 | 15 | 189 |
63231800 | links | 18 | 23 | 16,5 | 21,8 | 46 | 72 | 44 | M18x1,5 | 1,5 | 15 | 267 |
63232000 | links | 20 | 25 | 18 | 24,3 | 50 | 78 | 47 | M20x1,5 | 1,5 | 14 | 348 |
63232200 | links | 22 | 28 | 20 | 25,8 | 54 | 84 | 51 | M22x1,5 | 1,5 | 15 | 443 |
63232500 | links | 25 | 31 | 22 | 29,6 | 60 | 94 | 57 | M24x2 | 2,0 | 15 | 600 |
63233000 | links | 30 | 37 | 25 | 34,8 | 70 | 110 | 71 | M30x2 | 2,0 | 17 | 1030 |
63233500 | links | 35 | 43 | 28 | 37,7 | 80 | 125 | 73 | M36x2 | 2,0 | 19 | 1600 |
63234000 | links | 40 | 49 | 35 | 44,2 | 90 | 142 | 78 | M42x2 | 2,0 | 16 | 2550 |