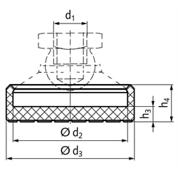
Gumové podložky pre držiaky stroja so štvorcovou prírubou


Material: Rubber NBR, black, 85º +/-5º Shore A.
Oil-resistant rubber pads for levelling pads 2259. The bottom side is profiled. The rubber pad can easily be pulled over and enables an anti-slip and vibration-damping placement of the levelling pad.