Bezpečnostné spojky SI


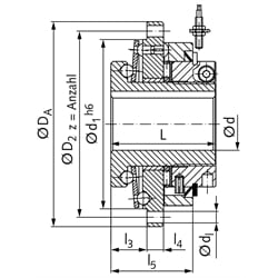
Material: Steel. This clutch is a backlash-free overload system operating on the positive principle. It works with the recently developed principle of the punched disk spring. At overload the disk spring disengages, the torque flow is interrupted. After the overload has passed, the clutch re-engages on its own. The axial movement of the shift ring can be used to trigger a limit switch/sensor turning off the engine (travel 2mm). Customer components (e.g. sprockets, pulleys) can be easily integrated; special components, as needed for the common systems, are not required here. Customized bores and feather-key grooves available at surcharge.
SKU | Size | Torque [Nm] | d max. [mm] | L [mm] | DA [mm] | D2, z [mm] | dl [mm] | d1 [mm] | l3 [mm] | l4 [mm] | l5 [mm] | Speed max. [rpm] | Weight |
---|---|---|---|---|---|---|---|---|---|---|---|---|---|
61272000 | 20 | 6 - 20 | 20 | 45 | 80 | 71, z= 8 | 4,5 | 65 | 16 | 6 | 35 | 1500 | 0,69 |
61272500 | 25 | 20 - 60 | 25 | 50 | 98 | 89, z= 8 | 5,5 | 81 | 17 | 8 | 39 | 1500 | 1,26 |
61273500 | 35 | 25 - 80 | 35 | 60 | 120 | 110, z=12 | 5,5 | 102 | 21 | 10 | 42 | 1500 | 1,89 |
61275000 | 50 | 60 - 180 | 50 | 70 | 162 | 152, z=12 | 6,6 | 142 | 25 | 13 | 56 | 1500 | 3,93 |