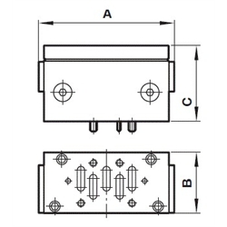
Medzidoska so spätnými ventilmi



Material: die-cast aluminium
Design: Poppet valves
Flow: 500 l/min
Operating pressure: 3 - 8 bar
Application:
With this type of intermediate plate together with a 5/3-way valve, center position open, a piston movment can be stopped in any desired position. This position will kept during a long period.
Note:
Metal to metal sealed spool and sleeve valves have always a small amount of leak because of its design. Therefore 5/3-way valves, center position closed, are only applicable for short stops.
Caution: Not suitable for safety applications!
CAD
CAD models can be obtained from the following link on Norgren's partcommunity, please search with the manufacturer number.
Link to partcommunity Norgren
SKU | Manufacure-Partnumber | Port-Size | Port thread type | Length [mm] | Width [mm] | Heigth [mm] | Weight [kg] |
---|---|---|---|---|---|---|---|
903015-21845 | FP7050 | ISO 1 | - | 96 | 42 | 59 | 0,45 |
903015-21846 | FP7070 | ISO 3 | - | 165 | 62 | 100 | 2,00 |