Samonastavovacie spojky KA, krátka verzia, nehrdzavejúca oceľ


Material: 1.4305 (AISI 303).
- torsionally rigid design.
- zero backlash-
- perfect transmission of torque.
- very low restoring force.
* Please regard the operating factors. See PDF-catalog pages. ** Shaft can be pushed in further. Middle of coupling is relieved. Part. 60299600 in set-screw style. 1) Against surcharge
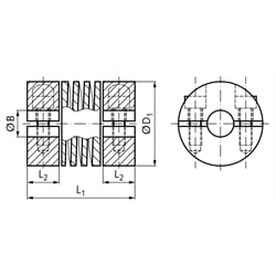
SKU | Max. Operating Torque [Nm] | B +0,03 [mm] | Bore max [mm] | L1 [mm] | L2 ** [mm] | D1 [mm] | Angular Misalignment [°] | Parallelity Mismatch [mm] | max. Speed [min -1] | Bolts [Size] | Tightening torque [Nm] | Weight [g] |
---|---|---|---|---|---|---|---|---|---|---|---|---|
60299600 | 00,45 | 2 | 3,0 | 12,7 | 3,2 | 6,35 | 3 | 0,070 | 5000 | M2*** | 0,08 | 2 |
60299602 | 00,5 | 3 | 3,18 | 14,2 | 4,5 | 9,52 | 3 | 0,100 | 5000 | M1,6 | 0,15 | 6 |
60299608 | 1,0 | 4 | 6,0 | 19,05 | 6,0 | 12,70 | 5 | 0,127 | 5000 | M2 | 0,3 | 10 |
60299610 | 1,0 | 6 | 6,0 | 19,05 | 6,0 | 12,70 | 5 | 0,127 | 5000 | M2 | 0,3 | 10 |
60299612 | 1,8 | 4 | 6,35 | 20,3 | 6,0 | 15,87 | 5 | 0,127 | 5000 | M2,5 | 0,68 | 22 |
60299614 | 1,8 | 5 | 6,35 | 20,3 | 6,0 | 15,87 | 5 | 0,127 | 5000 | M2,5 | 0,68 | 22 |
60299616 | 1,8 | 6 | 6,35 | 20,3 | 6,0 | 15,87 | 5 | 0,127 | 5000 | M2,5 | 0,68 | 22 |
60299620 | 2,7 | 6 | 8,0 | 22,85 | 6,5 | 19,05 | 5 | 0,127 | 5000 | M2,5 | 0,68 | 34 |
60299622 | 2,7 | 8 | 8,0 | 22,85 | 6,5 | 19,05 | 5 | 0,127 | 5000 | M2,5 | 0,68 | 34 |
60299624 | 6,0 | 6 | 11,0 | 31,75 | 9,0 | 25,40 | 5 | 0,127 | 5000 | M3 | 1,2 | 90 |
60299626 | 6,0 | 8 | 11,0 | 31,75 | 9,0 | 25,40 | 5 | 0,127 | 5000 | M3 | 1,2 | 90 |
60299628 | 6,0 | 10 | 11,0 | 31,75 | 9,0 | 25,40 | 5 | 0,127 | 5000 | M3 | 1,2 | 90 |
60299630 | 10 | 10 | 14,0 | 44,45 | 12,0 | 31,75 | 5 | 0,127 | 5000 | M4 | 2,85 | 220 |
60299632 | 10 | 12 | 14,0 | 44,45 | 12,0 | 31,75 | 5 | 0,127 | 5000 | M4 | 2,85 | 220 |
60299634 | 10 | 16 | 16,0 | 44,45 | 12,0 | 31,75 | 5 | 0,127 | 5000 | M4 | 2,85 | 220 |