Široké zverné krúžky, delené, z ocele, čiernené


Material: Steel C45, black oxide finish. Screws steel 12.9.
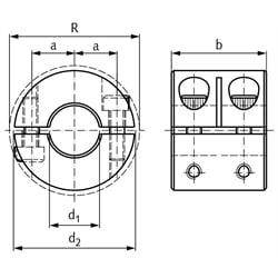
Features: does not damage the shaft, stronger clamping force than with set collars, even distribution of clamping forces, easy readjustment, precision honed bores. The threads of the screws DIN 912 are covered with a layer of polyamide. Tolerance b: +0.08mm -0.25mm . Temperature range: -40°C to +175°C.
Remarks to collars from steel: The black oxide on the clamping collars is formulated as part of the total performance of the product. It enhances the holding ability of the collar, it efficiently reduces slipping on the shaft, has anti-stick-slip characteristics and helps to keep the torque rating of the screw within its designed parameters. The oxide layer also provides corrosion protection.
SKU | d1 [mm] | d2 [mm] | R [mm] | b [mm] | a [mm] | Bolts [DIN 912] | Tightening Torque [Nm] | Weight [g] |
---|---|---|---|---|---|---|---|---|
62440600 | 6+0,05 | 16 | 20,1 | 20 | 5,2 | M3x8 | 2,1 | 20 |
62440800 | 8+0,07 | 18 | 21,3 | 20 | 6,0 | M3x8 | 2,1 | 24 |
62441000 | 10+0,07 | 24 | 25,6 | 20 | 8,5 | M3x8 | 2,1 | 44 |
62441200 | 12+0,07 | 28 | 31,7 | 24 | 10,0 | M4x12 | 4,6 | 76 |
62441600 | 16+0,07 | 34 | 38,5 | 29 | 12,0 | M5x14 | 9,5 | 126 |
62442000 | 20+0,07 | 40 | 46,3 | 33 | 14,5 | M6x16 | 16 | 194 |
62442500 | 25+0,07 | 45 | 50,6 | 33 | 17,0 | M6x16 | 16 | 228 |
62443000 | 30+0,12 | 54 | 58,6 | 33 | 21,5 | M6x18 | 16 | 326 |
62444000 | 40+0,12 | 60 | 65,0 | 33 | 25,0 | M6x18 | 16 | 326 |
62445000 | 50+0,12 | 78 | 84,2 | 41 | 32,0 | M8x25 | 17 | 740 |