Narezané zverné krúžky s perodrážkou - typ N, oceľ, čiernené


Material: Steel C45, black oxide finish. Screw steel 12.9.
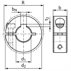
Typ N: with keyway DIN 6885-1.
The thread of the screw DIN 912 is covered with a layer of polyamide.
Tolerance b: +0.08mm / -0.25mm. Temperature range: -40ºC to +175ºC.
Features: does not damage the shaft, stronger clamping force than with set collars, even distribution of clamping forces, easy readjustment, precision honed bores.
Remarks to collars from steel: The black oxide on the clamping collars is formulated as part of the total performance of the product. It enhances the holding ability of the collar, it efficiently reduces slipping on the shaft, has anti-stick-slip characteristics and helps to keep the torque rating of the screw within its designed parameters. The oxide layer also provides corrosion protection.
SKU | Ø d1 [mm] | Ø d2 [mm] | Ø Rmax. [mm] | b [mm] | Schraube DIN 912 | b N [mm] | t2 [mm] | Gewicht [g] |
---|---|---|---|---|---|---|---|---|
62310800N | 8 | 18 | 22,4 | 9 | M3 x 8 | 2 | 1,0 | 12 |
62311000N | 10 | 24 | 26,0 | 9 | M3 x 10 | 3 | 1,4 | 22 |
62311200N | 12 | 28 | 31,8 | 11 | M4 x 12 | 4 | 1,8 | 37 |
62311500N | 15 | 34 | 39,4 | 13 | M5 x 16 | 5 | 2,3 | 64 |
62311600N | 16 | 34 | 39,4 | 13 | M5 x 16 | 5 | 2,3 | 62 |
62312000N | 20 | 40 | 46,4 | 15 | M6 x 16 | 6 | 2,8 | 95 |
62312500N | 25 | 45 | 50,8 | 15 | M6 x 16 | 8 | 3,3 | 111 |
62313000N | 30 | 54 | 58,6 | 15 | M6 x 18 | 8 | 3,3 | 160 |
62313500N | 35 | 57 | 61,6 | 15 | M6 x 18 | 10 | 3,3 | 167 |
62313800N | 38 | 60 | 65,0 | 15 | M6 x 18 | 10 | 3,3 | 169 |
62314000N | 40 | 60 | 65,0 | 15 | M6 x 18 | 12 | 3,3 | 158 |
62314500N | 45 | 73 | 79,4 | 19 | M8 x 25 | 14 | 3,8 | 338 |
62315000N | 50 | 78 | 84,2 | 19 | M8 x 25 | 14 | 3,8 | 362 |
62316000N | 60 | 88 | 94,0 | 19 | M8 x 25 | 18 | 4,4 | 416 |