Product image
Product image

Material: Steel, zinc-plated.

Simple thrust ball bearing with one row of balls, suitable for turntables, or similar devices with uniform load distribution. Due to the simple construction, not designed for moments outside the axis of rotation. Mounting must be horizontal only.

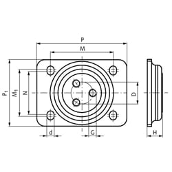
Type A: With flange at the top.
Type B: Without flange at the top.

* No oblong hole, hole with Ø d.

SKU Typ D [mm] d [mm] H [mm] P [mm] P1 [mm] M [mm] M1 [mm] N [mm] G [mm] Tragkraft [kg] Gewicht [kg]
77790301 A 60 6,5* 12 57 57 43 43 - - 50 0,1
77790302 A 87,5 6,5* 17 95 70 75 45 - - 280 0,3
77790303 B 28 9 19 105 85 80 60 53 M10 500 0,5
77790304 B 43 11 29 138 109 105 80 75 M12 600 1,2