Jednoduché presné univerzálne kĺby WER podobné DIN 808, nehrdzavejúca oceľ
Material: Stainless steel 1.4301 (AISI 304). Max. Operating Angle 45°.
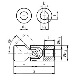
These single and double universal joints feature a simple design with very small tolerances and high precision and performance. These universal joints can be used at speeds up to max. 800 rpm. The torques amount to only about 50% of the standard version WE. At an operating angle of 45° only manual operation is possible.
Optionally without or with keyway DIN 6885-1, on both sides.
| SKU | d1H7 [mm] | d2 [mm] | l1 [mm] | l2 [mm] | b JS9 [mm] | t [mm] | dmiss.max. Torque at : 100 min-1 [Nm] | at 200 rpm-1 [Nm] | at 300 rpm-1 [Nm] | at 400 rpm-1 [Nm] | at 500 rpm-1 [Nm] | at 700 rpm-1 [Nm] | at 800 rpm-1 [Nm] | Weight [kg] |
|---|---|---|---|---|---|---|---|---|---|---|---|---|---|---|
| 63199215 | 6 | 13 | 18 | 50 | - | - | 6,6 | 6,6 | 5,2 | 4,8 | 4,3 | - | - | 0,04 |
| 63199216 | 8 | 16 | 19 | 58 | - | - | 12,9 | 9 | 7,9 | 6,9 | 6 | 5,1 | 4,6 | 0,06 |
| 63199216N | 8 | 16 | 19 | 58 | 2 | 9 | 12,9 | 9 | 7,9 | 6,9 | 6 | 5,1 | 4,6 | 0,06 |
| 63199220 | 10 | 22 | 25 | 76 | - | - | 18,4 | 12,4 | 10,5 | 9,6 | 8,7 | 7,8 | 5,2 | 0,13 |
| 63199220N | 10 | 22 | 25 | 76 | 3 | 11,4 | 18,4 | 12,4 | 10,5 | 9,6 | 8,7 | 7,8 | 5,2 | 0,13 |
| 63199226 | 12 | 25 | 29 | 86 | - | - | 31,5 | 18,9 | 15 | 12 | 10,9 | 9,4 | 8,7 | 0,23 |
| 63199226N | 12 | 25 | 29 | 86 | 4 | 13,8 | 31,5 | 18,9 | 15 | 12 | 10,9 | 9,4 | 8,7 | 0,23 |
| 63199229 | 14 | 29 | 30 | 90 | - | - | 49,5 | 31,9 | 28,9 | 26,4 | 24,4 | 19,9 | 18,9 | 0,33 |
| 63199229N | 14 | 29 | 30 | 90 | 5 | 16,3 | 49,5 | 31,9 | 28,9 | 26,4 | 24,4 | 19,9 | 18,9 | 0,33 |
| 63199232 | 16 | 32 | 30 | 95 | - | - | 67,5 | 63 | 52,9 | 42 | 37,9 | 30 | 25,9 | 0,42 |
| 63199232N | 16 | 32 | 30 | 95 | 5 | 18,3 | 67,5 | 63 | 52,9 | 42 | 37,9 | 30 | 25,9 | 0,42 |
| 63199237 | 18 | 37 | 35 | 108 | - | - | 114 | 90 | 69,9 | 52,9 | 43,9 | 34,9 | - | 0,65 |
| 63199237N | 18 | 37 | 35 | 108 | 6 | 20,8 | 114 | 90 | 69,9 | 52,9 | 43,9 | 34,9 | - | 0,65 |
| 63199240 | 20 | 40 | 32 | 108 | - | - | 175,5 | 126 | 87,9 | 69,9 | 61,9 | 43,9 | - | 0,75 |
| 63199240N | 20 | 40 | 32 | 108 | 6 | 22,8 | 175,5 | 126 | 87,9 | 69,9 | 61,9 | 43,9 | - | 0,75 |
| 63199247 | 22 | 47 | 38 | 127 | - | - | 219 | 144 | 105 | 87,9 | 69,9 | 52,9 | - | 1,26 |
| 63199247N | 22 | 47 | 38 | 127 | 6 | 24,8 | 219 | 144 | 105 | 87,9 | 69,9 | 52,9 | - | 1,26 |
| 63199250 | 25 | 50 | 44 | 140 | - | - | 288 | 180 | 126 | 108 | 90 | 72 | - | 1,52 |
| 63199250N | 25 | 50 | 44 | 140 | 8 | 28,3 | 288 | 180 | 126 | 108 | 90 | 72 | - | 1,52 |
| 63199257 | 30 | 58 | 58 | 178 | - | - | 324 | 198 | 144 | 117 | 99 | - | - | 2,60 |
| 63199257N | 30 | 58 | 58 | 178 | 8 | 33,3 | 324 | 198 | 144 | 117 | 99 | - | - | 2,60 |