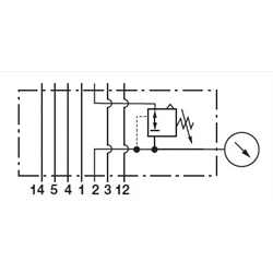
Modul regulácie tlaku, regulácia na porte 1 (regulátor na strane 14)




Material: stainless-steel
ISO size: 1
Regulator on side: 14
Operation: Membrane pressure regulator with relieving valve
Inlet pressure max.: 16 bar
Pressure range: 0,5 - 12 bar
Application: Pressure of port 1 can be regulated individually by using this intermediate plate.
Note: Adjustment knob has push to lock feature.
Flow characteristics (inlet pressure: 8 bar)
CAD models can be obtained from the following link on Norgren's partcommunity, please search with the manufacturer number.
Link to partcommunity Norgren
SKU | Manufacure-Partnumber | Port-Size | Port thread type | Length [mm] | Width [mm] | Heigth [mm] | Weight [kg] |
---|---|---|---|---|---|---|---|
903015-21840 | V71010-KB1 | ISO 1 | - | 224 | 42 | 65 | 0,60 |