Jednoduché univerzálne kĺby WEL podobné DIN 808, oceľ


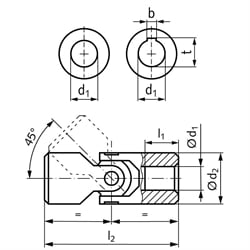
Material: Steel. Max. Operating Angle 45°.
These low-price, single universal joints are especially suited for manual operation at low torques. As the contact surfaces are not hardened/ground, they can only be used at high speeds for short intervals. *only for short intervals
Optionally without or with keyway DIN 6885-1, on both sides.
SKU | d1H7 [mm] | d2 [mm] | l1 [mm] | l2 [mm] | b JS9 [mm] | t [mm] | admiss. Torque* at 100 min¹ [Nm] | 200 rpm | 300 rpm | 400 rpm | 500 rpm | 700 rpm | 800 rpm | Weight [kg] |
---|---|---|---|---|---|---|---|---|---|---|---|---|---|---|
63061300 | 6 | 13 | 13 | 40 | - | - | 8,5 | 8,5 | 6,8 | 6,2 | 5,7 | - | - | 0,03 |
63061600 | 8 | 16 | 10 | 40 | - | - | 16,9 | 11,7 | 10,4 | 9,1 | 7,8 | 6,7 | 6,1 | 0,04 |
63061600N | 8 | 16 | 10 | 40 | 2 | 9 | 16,9 | 11,7 | 10,4 | 9,1 | 7,8 | 6,7 | 6,1 | 0,04 |
63062000 | 10 | 20 | 10 | 45 | - | - | 32,5 | 22,1 | 19,5 | 15,6 | 14,3 | 13 | 9,1 | 0,08 |
63062000N | 10 | 20 | 10 | 45 | 3 | 11,4 | 32,5 | 22,1 | 19,5 | 15,6 | 14,3 | 13 | 9,1 | 0,08 |
63062500 | 12 | 25 | 11 | 50 | - | - | 58,5 | 32,5 | 27,3 | 20,8 | 18,2 | 14,3 | 11,7 | 0,14 |
63062500N | 12 | 25 | 11 | 50 | 4 | 13,8 | 58,5 | 32,5 | 27,3 | 20,8 | 18,2 | 14,3 | 11,7 | 0,14 |
63062900 | 14 | 29 | 13 | 56 | - | - | 91 | 58,5 | 52 | 42,9 | 39 | 33,8 | 28,6 | 0,20 |
63062900N | 14 | 29 | 13 | 56 | 5 | 16,3 | 91 | 58,5 | 52 | 42,9 | 39 | 33,8 | 28,6 | 0,20 |
63063200 | 16 | 32 | 15 | 65 | - | - | 114,4 | 110,5 | 93,6 | 71,5 | 65 | 55,9 | 44,2 | 0,29 |
63063200N | 16 | 32 | 15 | 65 | 5 | 18,3 | 114,4 | 110,5 | 93,6 | 71,5 | 65 | 55,9 | 44,2 | 0,29 |
63063700 | 18 | 37 | 17 | 72 | - | - | 208 | 156 | 130 | 88,4 | 75,4 | 70,2 | - | 0,44 |
63063700N | 18 | 37 | 17 | 72 | 6 | 20,8 | 208 | 156 | 130 | 88,4 | 75,4 | 70,2 | - | 0,44 |
63064000 | 20 | 40 | 19 | 82 | - | - | 312 | 221 | 156 | 117 | 104 | 93,6 | - | 0,57 |
63064000N | 20 | 40 | 19 | 82 | 6 | 22,8 | 312 | 221 | 156 | 117 | 104 | 93,6 | - | 0,57 |
63064700 | 22 | 47 | 22 | 95 | - | - | 390 | 260 | 195 | 143 | 120,9 | - | - | 0,93 |
63064700N | 22 | 47 | 22 | 95 | 6 | 24,8 | 390 | 260 | 195 | 143 | 120,9 | - | - | 0,93 |
63065000 | 25 | 50 | 27 | 108 | - | - | 507 | 325 | 234 | 182 | 149,5 | - | - | 1,19 |
63065000N | 25 | 50 | 27 | 108 | 8 | 28,3 | 507 | 325 | 234 | 182 | 149,5 | - | - | 1,19 |
63065800 | 30 | 58 | 30 | 122 | - | - | 559 | 429 | 260 | 195 | 166,4 | - | - | 1,72 |
63065800N | 30 | 58 | 30 | 122 | 8 | 33,3 | 559 | 429 | 260 | 195 | 166,4 | - | - | 1,72 |