Posávacie náboje FA-K ako obmedzovače krútiaceho momentu, s upínacím nábojom


Material: Steel, zinc-plated and chromated.
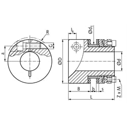
• Clamp hub version.
• The slipping torque can be adjusted with common assembly tools for screws, also after mounting.
• By mounting an additional springs the torque range can be increased (additional spring has to be ordered separately).
• The hubs are delivered with pilt bore and max. bush length. Customized bores, keyways and bush lengths at extra charge.
SKU | Size | MD standard [Nm] | MD with additional spring [Nm] | Speedmax. [min-1] | Pilot Bores [mm] | Max. Bore [mm] | D [mm] | DN [mm] | B [mm] | d1 H8 [mm] | bmin. [mm] | bmax. [mm] | Bush lengthmin. [mm] | Bush lengthmax. [mm] | s [mm] | L [mm] | Bolts Z x M | Weight [kg] |
---|---|---|---|---|---|---|---|---|---|---|---|---|---|---|---|---|---|---|
61211010 | 0 | 2 - 10 | 4 - 20 | 8500 | 10 | 22 | 45 | - | 21,5 | 35 | 2 | 6 | 6 | 10 | 2,5 | 46 | 6x M4 | 0,3 |
61211100 | 01 | 5 - 35 | 10 - 70 | 6600 | 10 | 25 | 58 | - | 26 | 40 | 3 | 8 | 8 | 13 | 3 | 55 | 6x M4 | 0,6 |
61211110 | 1 | 20 - 75 | 40 - 150 | 5600 | 18 | 28 | 68 | - | 30 | 44 | 3 | 10 | 8 | 15 | 3 | 65 | 6x M5 | 0,9 |
61211200 | 2 | 25 - 140 | 50 - 280 | 4300 | 18 | 40 | 88 | - | 34 | 58 | 4 | 12 | 9 | 17 | 3 | 72 | 6x M6 | 1,8 |