Skrutky s vnútorným šesťhranom podobné ISO 7379, nehrdzavejúca oceľ


Material: Stainless steel 1.4301 (AISI 304).
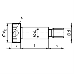
Screws with precision fit cylinder for multiple usage. These screws have the usual differences to the norm ISO 7379, like it is common on the market.
Note:
These screws have the usual differences to the norm ISO 7379, like it is common on the market:
- Ø 4 mm and Ø 5 mm are not included in the ISO.
- Ø 6 mm instead of ISO Ø 6.5 mm.
- Ø 12 mm instead of ISO Ø 13 mm.
- Ø 24 mm instead of ISO Ø 25 mm.
- Concentricity 2 IT 13 and 2 IT 10 may vary.
- The stainless steel version is not included in the ISO. Due to the material, the strenght is lower.
Fastening Torque:
Because of the small contact areas and the recesses, the tightening torque is much smaller than the torque for a standard stainless steel bolt A2-70 of the same thread size. Also, the strength of the contact areas of the corresponding parts must be considered.
SKU | dsf9 [mm] | l+0,25 [mm] | d [mm] | b [mm] | d K [mm] | k [mm] | s [mm] | Gewichtg |
---|---|---|---|---|---|---|---|---|
619804004 | 4 | 4 | M3 | 7 | 7 | 3 | 2 | 1,4 |
619804005 | 4 | 5 | M3 | 7 | 7 | 3 | 2 | 1,5 |
619804006 | 4 | 6 | M3 | 7 | 7 | 3 | 2 | 1,6 |
619804008 | 4 | 8 | M3 | 7 | 7 | 3 | 2 | 1,8 |
619804010 | 4 | 10 | M3 | 7 | 7 | 3 | 2 | 2,0 |
619804012 | 4 | 12 | M3 | 7 | 7 | 3 | 2 | 2,2 |
619804016 | 4 | 16 | M3 | 7 | 7 | 3 | 2 | 2,6 |
619805005 | 5 | 5 | M4 | 8 | 9 | 4 | 2,5 | 2,6 |
619805006 | 5 | 6 | M4 | 8 | 9 | 4 | 2,5 | 2,8 |
619805008 | 5 | 8 | M4 | 8 | 9 | 4 | 2,5 | 3,1 |
619805010 | 5 | 10 | M4 | 8 | 9 | 4 | 2,5 | 3,4 |
619805012 | 5 | 12 | M4 | 8 | 9 | 4 | 2,5 | 3,7 |
619805016 | 5 | 16 | M4 | 8 | 9 | 4 | 2,5 | 4,3 |
619805020 | 5 | 20 | M4 | 8 | 9 | 4 | 2,5 | 4,9 |
619805025 | 5 | 25 | M4 | 8 | 9 | 4 | 2,5 | 5,7 |
619805030 | 5 | 30 | M4 | 8 | 9 | 4 | 2,5 | 6,5 |
619806010 | 6 | 10 | M5 | 9,5 | 10 | 4,5 | 3 | 5,3 |
619806012 | 6 | 12 | M5 | 9,5 | 10 | 4,5 | 3 | 5,8 |
619806016 | 6 | 16 | M5 | 9,5 | 10 | 4,5 | 3 | 6,7 |
619806020 | 6 | 20 | M5 | 9,5 | 10 | 4,5 | 3 | 7,5 |
619806025 | 6 | 25 | M5 | 9,5 | 10 | 4,5 | 3 | 8,7 |
619806030 | 6 | 30 | M5 | 9,5 | 10 | 4,5 | 3 | 9,8 |
619806040 | 6 | 40 | M5 | 9,5 | 10 | 4,5 | 3 | 12 |
619806050 | 6 | 50 | M5 | 9,5 | 10 | 4,5 | 3 | 14 |
619806060 | 6 | 60 | M5 | 9,5 | 10 | 4,5 | 3 | 16 |
619808016 | 8 | 16 | M6 | 11 | 13 | 5,5 | 4 | 13 |
619808020 | 8 | 20 | M6 | 11 | 13 | 5,5 | 4 | 14 |
619808025 | 8 | 25 | M6 | 11 | 13 | 5,5 | 4 | 16 |
619808030 | 8 | 30 | M6 | 11 | 13 | 5,5 | 4 | 18 |
619808040 | 8 | 40 | M6 | 11 | 13 | 5,5 | 4 | 22 |
619808050 | 8 | 50 | M6 | 11 | 13 | 5,5 | 4 | 26 |
619808060 | 8 | 60 | M6 | 11 | 13 | 5,5 | 4 | 30 |
619810016 | 10 | 16 | M8 | 13 | 16 | 7 | 5 | 22 |
619810020 | 10 | 20 | M8 | 13 | 16 | 7 | 5 | 25 |
619810025 | 10 | 25 | M8 | 13 | 16 | 7 | 5 | 28 |
619810030 | 10 | 30 | M8 | 13 | 16 | 7 | 5 | 31 |
619810040 | 10 | 40 | M8 | 13 | 16 | 7 | 5 | 37 |
619810050 | 10 | 50 | M8 | 13 | 16 | 7 | 5 | 43 |
619810060 | 10 | 60 | M8 | 13 | 16 | 7 | 5 | 49 |
619810070 | 10 | 70 | M8 | 13 | 16 | 7 | 5 | 56 |
619810080 | 10 | 80 | M8 | 13 | 16 | 7 | 5 | 62 |
619810090 | 10 | 90 | M8 | 13 | 16 | 7 | 5 | 68 |
619810100 | 10 | 100 | M8 | 13 | 16 | 7 | 5 | 74 |
619812016 | 12 | 16 | M10 | 16 | 18 | 9 | 6 | 36 |
619812020 | 12 | 20 | M10 | 16 | 18 | 9 | 6 | 39 |
619812025 | 12 | 25 | M10 | 16 | 18 | 9 | 6 | 44 |
619812030 | 12 | 30 | M10 | 16 | 18 | 9 | 6 | 48 |
619812040 | 12 | 40 | M10 | 16 | 18 | 9 | 6 | 57 |
619812050 | 12 | 50 | M10 | 16 | 18 | 9 | 6 | 66 |
619812060 | 12 | 60 | M10 | 16 | 18 | 9 | 6 | 75 |
619812070 | 12 | 70 | M10 | 16 | 18 | 9 | 6 | 84 |
619812080 | 12 | 80 | M10 | 16 | 18 | 9 | 6 | 92 |
619812090 | 12 | 90 | M10 | 16 | 18 | 9 | 6 | 101 |
619812100 | 12 | 100 | M10 | 16 | 18 | 9 | 6 | 110 |
619816030 | 16 | 30 | M12 | 18 | 24 | 11 | 8 | 94 |
619816040 | 16 | 40 | M12 | 18 | 24 | 11 | 8 | 108 |
619816050 | 16 | 50 | M12 | 18 | 24 | 11 | 8 | 126 |
619816060 | 16 | 60 | M12 | 18 | 24 | 11 | 8 | 140 |
619816070 | 16 | 70 | M12 | 18 | 24 | 11 | 8 | 155 |
619816080 | 16 | 80 | M12 | 18 | 24 | 11 | 8 | 160 |
619816090 | 16 | 90 | M12 | 18 | 24 | 11 | 8 | 186 |
619816100 | 16 | 100 | M12 | 18 | 24 | 11 | 8 | 200 |