Kĺbové ložiská DIN ISO 12240-1, E, bez mazania (nutné pred montážou namazať!!!)


Material: Inner ring and bearing shell from bearing steel 100Cr6, hardened, ground and phosphated.
Treated with molybdenum disulfide.
Bearing shell (outer ring) cut.
- Dimensions according to DIN ISO 12240-1 (DIN 648) series E (slim version).
- Re-lubricateable (from size 15 with lubrication hole).
- Initial lubrication before use is required.
- Suitable for high, alternating loads.
- For high sliding speed up to 60 m/min.
Note: The specific loading of rod ends and spherical-plain bearings differs in each application. Therefore general statements by a producer in a catalogue may not totally fit to the single application. In all cases the user has to coordinate the theoretical selection criteria with the concrete installation situation and check the suitability of the rod end respectively spherical-plain bearing. In this context the user has to define sufficient security factors and maintenance intervals.
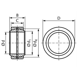
SKU | d [mm] | B [mm] | C [mm] | D [mm] | d1 [mm] | d K [mm] | Tipping Angle Alpha [°] | Weight [g] |
---|---|---|---|---|---|---|---|---|
63360600 | 6 | 6 | 4 | 14 | 8 | 10 | 13 | 4 |
63360800 | 8 | 8 | 5 | 16 | 10,0 | 13 | 15 | 7 |
63361000 | 10 | 9 | 6 | 19 | 13,2 | 16 | 12 | 11 |
63361200 | 12 | 10 | 7 | 22 | 14,9 | 18 | 11 | 16 |
63361500 | 15 | 12 | 9 | 26 | 18,4 | 22 | 8 | 26 |
63361600 | 16 | 14 | 10 | 30 | 20,7 | 25 | 10 | 40 |
63361700 | 17 | 14 | 10 | 30 | 20,7 | 25 | 10 | 40 |
63362000 | 20 | 16 | 12 | 35 | 24,1 | 29 | 9 | 64 |
63362500 | 25 | 20 | 16 | 42 | 29,3 | 35,5 | 7 | 115 |
63363000 | 30 | 22 | 18 | 47 | 34,2 | 40,7 | 6 | 149 |
63363500 | 35 | 25 | 20 | 55 | 39,7 | 47 | 6 | 228 |
63364000 | 40 | 28 | 22 | 62 | 45,0 | 53 | 7 | 318 |
63364500 | 45 | 32 | 25 | 68 | 50,7 | 60 | 7 | 421 |
63365000 | 50 | 35 | 28 | 75 | 55,9 | 66 | 6 | 532 |
63366000 | 60 | 44 | 36 | 90 | 66,8 | 80 | 6 | 1030 |
63367000 | 70 | 49 | 40 | 105 | 77,8 | 92 | 6 | 1570 |
63368000 | 80 | 55 | 45 | 120 | 89,4 | 105 | 6 | 2320 |