Product image
Product image

Material: Inner ring stainless steel 1.4034 (AISI 440 C), hardened, ground and polished.
Bearing shell special brass CuZn38Al1. Outer ring stainless steel 1.4305 (AISI 303).

  • Dimensions according to DIN ISO 12240-1 (DIN 648) series K (wide version).
  • Can be re-lubricated.
  • Initial lubrication required before use
  • For high sliding speed up to 60 m/min.
  • With outer ring (bigger outer diameter than version G or G..D).


Note: The specific loading of rod ends and spherical-plain bearings differs in each application. Therefore general statements by a producer in a catalogue may not totally fit to the single application. In all cases the user has to coordinate the theoretical selection criteria with the concrete installation situation and check the suitability of the rod end respectively spherical-plain bearing. In this context the user has to define sufficient security factors and maintenance intervals.

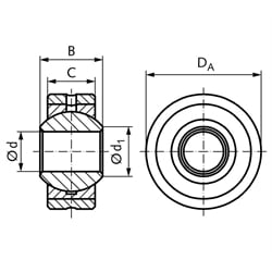
SKU d H7 [mm] B+0/-0,12 [mm] C+0/-0,24 [mm] DA+0/-0,012 [mm] d1 [mm] Tipping Angle Alpha [°] Weight [g]
63399005 5 8 6 16 7,7 13 8
63399006 6 9 6,75 18 8,9 13 12
63399008 8 12 9 22 10,4 14 23
63399010 10 14 10,5 26 12,9 13 38
63399012 12 16 12 30 15,4 13 58
63399014 14 19 13,5 34 16,8 16 83
63399016 16 21 15 38 19,3 15 115
63399018 18 23 16,5 42 21,8 15 150
63399020 20 25 18 46 24,3 14 200
63399022 22 28 20 50 25,8 15 270
63399025 25 31 22 56 29,6 15 375
63399030 30 37 25 66 34,8 17 540
63399035 35 43 28 78 37,7 19 850
63399040 40 49 35 87 44,2 16 1400