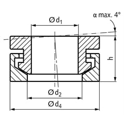
Zostava guľových podložiek a sediel, štandardné


Material: Spherical washer from steel, turned, case hardened, hardening depth min. 0.2 mm. Conical seat tempered. Phosphated and oiled.
Spherical washer and conical seat are undetachable connected. The total height h is larger than parts according to the old standard DIN 6319. Mostly, the outside diameter d4 is also bigger. Advantages: Easy to mount. Only one product required.
SKU | d1+0,22 [mm] | d2+0,22 [mm] | d4-0,2 [mm] | h ≈ [mm] | für Bolzen [mm] | F [k N] | Gewicht [g] |
---|---|---|---|---|---|---|---|
65540600K | 6,4 | 7,4 | 13 | 7 | M6 | 9 | 4 |
65540800K | 8,4 | 9,7 | 17 | 8,5 | M8 | 17 | 9 |
65541000K | 10,5 | 12,0 | 21 | 10,4 | M10 | 26 | 16 |
65541200K | 13 | 14,2 | 25 | 13,1 | M12 | 38 | 31 |
65541600K | 17 | 19,7 | 32 | 17 | M16 | 73 | 62 |
65542000K | 21 | 24,6 | 40 | 20,3 | M20 | 117 | 122 |
65542400K | 25 | 29,4 | 48 | 24,8 | M24 | 168 | 216 |
65543000K | 31 | 36,9 | 60 | 31,5 | M30 | 269 | 427 |